QR కోడ్
మా గురించి
ఉత్పత్తులు
మమ్మల్ని సంప్రదించండి


ఫ్యాక్స్
+86-574-87168065

ఇ-మెయిల్

చిరునామా
Luotuo ఇండస్ట్రియల్ ఏరియా, Zhenhai జిల్లా, Ningbo సిటీ, చైనా
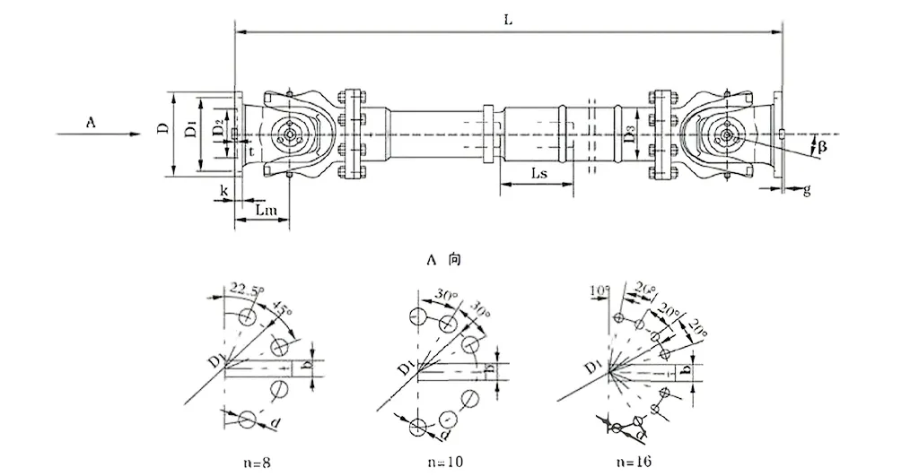
Raydafon యొక్క SWC-BF స్టాండర్డ్ ఫ్లెక్స్ ఫ్లాంజ్ టైప్ యూనివర్సల్ కప్లింగ్ భారీ యంత్రాలలో టార్క్ను విశ్వసనీయంగా తరలించడానికి నిర్మించబడింది-రోలింగ్ మిల్లులు, పేపర్ తయారీ పరికరాలు, పారిశ్రామిక డ్రైవ్లు, కఠినమైన పనితీరు అవసరమయ్యే అన్ని సెటప్లు. ఇది 180 మిమీ నుండి 620 మిమీ వరకు గైరేషన్ డయామీటర్లతో ఫ్లెక్సిబుల్ ఫ్లాంజ్ డిజైన్ను కలిగి ఉంది మరియు ఈ స్టాండర్డ్ ఫ్లెక్స్ యూనివర్సల్ కప్లింగ్ 15 డిగ్రీల వరకు కోణీయ మిస్అలైన్మెంట్లను మరియు 1250 kN·m కంటే ఎక్కువ టార్క్ను నిర్వహిస్తుంది. డిమాండ్ ఉన్న పని వాతావరణంలో కూడా, ఇది స్థిరంగా నడుస్తుంది, డ్రాప్-ఆఫ్లు లేవు. మేము దీన్ని అధిక-బలం కలిగిన 35CrMo స్టీల్ మరియు ఖచ్చితమైన సూది బేరింగ్లతో తయారు చేస్తాము, కాబట్టి ఇది పారిశ్రామిక యంత్రాల కోసం యూనివర్సల్ కప్లింగ్లు మరియు భారీ పరికరాల కోసం ఫ్లెక్స్ ఫ్లాంజ్ కప్లింగ్ల వలె ఖచ్చితంగా ఉంటుంది-శక్తిని బలంగా కదిలిస్తుంది మరియు మీరు ఎటువంటి వైబ్రేషన్ను గమనించలేరు.
చైనాలో మా తయారీ ISO 9001 ప్రమాణాలను అనుసరిస్తుంది, కాబట్టి SWC-BF యూనివర్సల్ కప్లింగ్ చాలా కాలం పాటు కొనసాగుతుంది మరియు తుప్పును నిరోధిస్తుంది-అన్నీ దాని క్రోమ్-పూతతో కూడిన క్రాస్ షాఫ్ట్కు ధన్యవాదాలు. ఫ్లేంజ్ కనెక్షన్ ఇన్స్టాలేషన్ను సులభతరం చేస్తుంది, ఇది మెటలర్జీ, మైనింగ్ మరియు షిప్బిల్డింగ్ వంటి రంగాల్లో పెద్ద సహాయం-మీకు మితమైన అక్షసంబంధ సౌలభ్యం అవసరం. మేము దాని పరిమాణం మరియు టార్క్ రేటింగ్లను కూడా అనుకూలీకరించవచ్చు, కాబట్టి ఈ మన్నికైన ఫ్లెక్స్ యూనివర్సల్ కప్లింగ్ రోలింగ్ మిల్లులు మరియు ఇతర పారిశ్రామిక అవసరాల కోసం అనుకూల యూనివర్సల్ కప్లింగ్ల వలె గొప్పగా పనిచేస్తుంది. మరియు ధర పోటీగా ఉంది, అధిక ఛార్జీ లేదు. Raydafon యొక్క జ్ఞానం అంటే మీరు నిర్వహణపై తక్కువ సమయాన్ని వెచ్చిస్తారు మరియు మీ పరికరాలు మరింత విశ్వసనీయంగా ఉంటాయి-ప్రపంచవ్యాప్తంగా ఉన్న ఆపరేటర్లు ఏదో ఒకదానిపై ఆధారపడవచ్చు.
| నం. | గైరేషన్ వ్యాసం డి మి.మీ | నామమాత్రపు టార్క్ Tn KN·m | అక్షాలు మడత కోణం β (°) | అలసిపోయిన టార్క్ Tf KN·m | ఫ్లెక్స్ పరిమాణం Ls మి.మీ | పరిమాణం (మిమీ) | తిరిగే జడత్వం kg.m2 | బరువు (కిలోలు) | |||||||||||
| Lmin | D1 (js11) | D2 (H7) | D3 | Lm | n-d | k | t | b (h9) | g | Lmin | పెంచండి 100మి.మీ | Lmin | పెంచండి 100మి.మీ | ||||||
| SWC180BF | 180 | 12.5 | 6.3 | ≤25 | 100 | 810 | 155 | 105 | 114 | 110 | 8-17 | 17 | 5 | -1.455 | - | 0.27 | 0.0070 | 80 | 2.8 |
| SWC225BF | 225 | 40 | 20 | ≤15 | 140 | 920 | 196 | 135 | 152 | 120 | 8-17 | 20 | 5 | 32 | 9 | 0.79 | 0.0234 | 138 | 4.9 |
| SWC250BF | 250 | 63 | 31.5 | 1035 | 218 | 150 | 168 | 140 | 8-19 | 25 | 6 | 40 | 12.5 | 1.46 | 0.0277 | 196 | 5.3 | ||
| SWC285BF | 285 | 90 | 45 | 1190 | 245 | 170 | 194 | 160 | 8-21 | 27 | 7 | 40 | 15 | 2.87 | 0.0510 | 295 | 6.3 | ||
| SWC315BF | 315 | 125 | 63 | 1315 | 280 | 185 | 219 | 180 | 10-23 | 32 | 8 | 40 | 15 | 5.09 | 0.0795 | 428 | 8.0 | ||
| SWC350BF | 350 | 180 | 90 | 150 | 1410 | 310 | 210 | 267 | 194 | 10-23 | 35 | 8 | 50 | 16 | 9.20 | 0.2219 | 632 | 15.0 | |
| SWC390BF | 390 | 250 | 125 | 170 | 1590 | 345 | 235 | 267 | 215 | 10-25 | 40 | 8 | 70 | 18 | 16.62 | 0.2219 | 817 | 15.0 | |
| SWC440BF | 440 | 355 | 180 | 190 | 1875 | 390 | 255 | 325 | 260 | 16-28 | 42 | 10 | 80 | 20 | 28.24 | 0.4744 | 1290 | 21.7 | |
| SWC490BF | 490 | 500 | 250 | 190 | 1985 | 435 | 275 | 325 | 270 | 16-31 | 47 | 12 | 90 | 22.5 | 46.33 | 0.4744 | 1631 | 21.7 | |
| SWC550BF | 550 | 710 | 355 | 240 | 2300 | 492 | 320 | 426 | 305 | 16-31 | 50 | 12 | 100 | 22.5 | 86.98 | 1.3570 | 2567 | 34.0 | |
| SWC620BF | 620 | 1000 | 500 | 240 | 2500 | 555 | 380 | 426 | 340 | 10-38 | 55 | 12 | 100 | 25 | 147.50 | 1.3570 | 3267 | 34.0 | |
యూనివర్సల్ కప్లింగ్లు-యూనివర్సల్ జాయింట్ కప్లింగ్లు అని కూడా అంటారు-ఇది రెండు షాఫ్ట్ల మధ్య టార్క్ మరియు భ్రమణ కదలికను కదిలించే యాంత్రిక భాగాలు, అవి ఖచ్చితంగా వరుసలో ఉండకపోవచ్చు. వారు కోణీయ, అక్షసంబంధమైన మరియు రేడియల్ మిస్అలైన్మెంట్లను నిర్వహిస్తారు, ఇవన్నీ వివిధ పారిశ్రామిక ఉపయోగాలలో శక్తి బదిలీని సమర్థవంతంగా ఉంచుతాయి. Raydafon వద్ద, మా SWC కార్డాన్ షాఫ్ట్ యూనివర్సల్ జాయింట్ కప్లింగ్ సిరీస్ ఇక్కడ టాప్-నాచ్ ఇంజనీరింగ్కి ఒక ప్రధాన ఉదాహరణ, రోలింగ్ మిల్లులు మరియు హాయిస్టింగ్ మెషినరీ వంటి భారీ-డ్యూటీ స్పాట్ల కోసం తయారు చేయబడిన హై-టార్క్ యూనివర్సల్ జాయింట్ కప్లింగ్ సొల్యూషన్లను అందిస్తోంది.
సార్వత్రిక ఉమ్మడి కప్లింగ్స్ యొక్క ప్రధాన రకాలను విచ్ఛిన్నం చేద్దాం:
మొదటిది సింగిల్ యూనివర్సల్ జాయింట్. ఇది రెండు యోక్లను కలుపుతూ ఒక క్రాస్-ఆకారపు పైవట్ను కలిగి ఉంది, షాఫ్ట్లు 45 డిగ్రీల వరకు కోణీయ మిస్లైన్మెంట్ను కలిగి ఉంటాయి. మోడరేట్ ఆఫ్సెట్లతో కూడిన సెటప్ల కోసం ఇది బాగా పని చేస్తుంది, అయితే ఇది వేగం మార్పులకు కారణం కావచ్చు. రోలింగ్ మిల్లు కార్యకలాపాల కోసం Raydafon యొక్క నమ్మకమైన హెవీ-డ్యూటీ యూనివర్సల్ జాయింట్ కప్లింగ్ తరచుగా కాంపాక్ట్ బిల్డ్లలో సింగిల్ జాయింట్ డిజైన్లను ఉపయోగిస్తుంది, కాబట్టి ఇది భారీ లోడ్లలో కూడా గొప్పగా ఉంటుంది.
అప్పుడు డబుల్ యూనివర్సల్ జాయింట్ ఉంది. ఇది రెండు సింగిల్ జాయింట్లను ఒకదానితో ఒకటి అనుసంధానించబడి ఉంది, ఇది పెద్ద మిస్అలైన్మెంట్లను నిర్వహిస్తుంది మరియు ప్రసార వేగాన్ని దాదాపు స్థిరంగా ఉంచుతుంది-గమ్మత్తైన షాఫ్ట్ సెటప్లకు సరైనది. లిఫ్టింగ్ మరియు మెటీరియల్ హ్యాండ్లింగ్ పరికరాలలో మీకు మన్నికైన SWC యూనివర్సల్ జాయింట్ షాఫ్ట్ కప్లింగ్ అవసరమైనప్పుడు, Raydafon యొక్క డబుల్ జాయింట్ మోడల్లు స్థిరత్వాన్ని పెంచుతాయి మరియు అధిక ఒత్తిడితో కూడిన పారిశ్రామిక యూనివర్సల్ జాయింట్ కప్లింగ్ సిస్టమ్లలో వైబ్రేషన్లను తగ్గిస్తాయి.
తదుపరిది టెలిస్కోపిక్ లేదా విస్తరించదగిన యూనివర్సల్ జాయింట్. ఇది డైనమిక్ సెటప్లలో అక్షసంబంధ కదలికల కోసం పని చేసే మిస్లైన్మెంట్ను భర్తీ చేసేటప్పుడు పొడవును సర్దుబాటు చేయడానికి మిమ్మల్ని అనుమతించే స్ప్లైన్లు లేదా స్లైడింగ్ భాగాలను కలిగి ఉంది. Raydafon యొక్క SWC హెవీ-డ్యూటీ యూనివర్సల్ జాయింట్ కప్లింగ్లో టెలిస్కోపిక్ ఎంపికలు ఉన్నాయి-అవి మీకు షాఫ్ట్ పొడవులో సౌలభ్యం అవసరమయ్యే గనులు లేదా నిర్మాణ స్థలాల వంటి ప్రదేశాలలో పెద్ద పవర్ ట్రాన్స్మిషన్ కోసం సమర్థవంతమైన యూనివర్సల్ జాయింట్ కప్లింగ్గా పనిచేస్తాయి.
సాలిడ్, బోర్, లేదా స్ప్లైన్డ్ హబ్ రకాలు కూడా ఉన్నాయి. అవి ఎలా కనెక్ట్ అవుతాయి అనే దాని ఆధారంగా ఇవి విభిన్నంగా ఉంటాయి: సాలిడ్ హబ్లకు రంధ్రాలు ఉండవు, విసుగు చెందిన హబ్లు గుండ్రంగా, హెక్స్ లేదా స్క్వేర్ ఓపెనింగ్లను కలిగి ఉంటాయి మరియు స్ప్లైన్డ్ హబ్లు గట్టిగా సరిపోయేలా పొడవైన కమ్మీలను కలిగి ఉంటాయి. శక్తి-పొదుపు యూనివర్సల్ జాయింట్ కప్లింగ్ సొల్యూషన్ల కోసం, Raydafon మా తక్కువ-నాయిస్ యూనివర్సల్ జాయింట్ కప్లింగ్ లైనప్లో స్ప్లైన్డ్ డిజైన్లను అందిస్తుంది-అవి టార్క్ డెలివరీని ఆప్టిమైజ్ చేస్తాయి మరియు సున్నితమైన పారిశ్రామిక ప్రదేశాలలో శబ్దాన్ని 30-40 dB(A) వరకు తగ్గిస్తాయి.
SWC సిరీస్తో సహా Raydafon యొక్క యూనివర్సల్ జాయింట్ కప్లింగ్లు ఇంటిగ్రేటెడ్ ఫోర్క్ హెడ్ డిజైన్లతో తయారు చేయబడ్డాయి-బోల్ట్-సంబంధిత సమస్యలు లేవు, ఇది బలాన్ని 30%-50% పెంచుతుంది మరియు ప్రసార సామర్థ్యాలను 98.6% వరకు పెంచుతుంది. అనుకూలీకరించిన, అధిక-పనితీరు గల సొల్యూషన్లు అవసరమయ్యే నిపుణుల కోసం ఈ ఫీచర్లు మా ఉత్పత్తులను అగ్ర ఎంపికగా చేస్తాయి.
యూనివర్సల్ కప్లింగ్లు-రేడాఫోన్ యొక్క SWC కార్డాన్ షాఫ్ట్ యూనివర్సల్ జాయింట్ కప్లింగ్ను ప్రధాన ఉదాహరణగా తీసుకోండి-పారిశ్రామిక ప్రసార వ్యవస్థలకు పెద్ద ప్రయోజనాలను తెస్తుంది. అవి సమలేఖనం చేయబడని షాఫ్ట్ల మధ్య ప్రభావవంతంగా టార్క్ను కదులుతాయి, అన్ని రకాల విచలనాలను నిర్వహిస్తాయి మరియు అధిక టార్క్ యూనివర్సల్ జాయింట్ కప్లింగ్ సొల్యూషన్లు అవసరమయ్యే కఠినమైన వాతావరణంలో కార్యకలాపాలను సజావుగా కొనసాగించడానికి అవి తప్పనిసరి.
వారి ప్రధాన ప్రయోజనాల్లోకి ప్రవేశిద్దాం: మొదట, వారు తప్పుగా అమరికను భర్తీ చేయడంలో గొప్పవారు. యూనివర్సల్ కప్లింగ్లు 25 డిగ్రీల వరకు కోణీయ, అక్షసంబంధ మరియు రేడియల్ మిస్అలైన్మెంట్లను నిర్వహిస్తాయి, ఇది రోలింగ్ మిల్లు కార్యకలాపాలకు నమ్మకమైన హెవీ-డ్యూటీ యూనివర్సల్ జాయింట్ కప్లింగ్గా చేస్తుంది. వారు ఎక్కువ యాంత్రిక ఒత్తిడిని లేదా వైబ్రేషన్ను జోడించకుండా దీన్ని చేస్తారు, కాబట్టి మీ యంత్రాలు సురక్షితంగా ఉంటాయి.
అప్పుడు వారి కఠినమైన మన్నిక మరియు సుదీర్ఘ సేవా జీవితం ఉంది. మేము ఈ కప్లింగ్లను ఇంటిగ్రేటెడ్ ఫోర్క్ హెడ్ డిజైన్లు మరియు అధిక శక్తితో కూడిన మెటీరియల్లతో నిర్మిస్తాము, ఇది బోల్ట్లు వదులుగా రావడం లేదా విరిగిపోవడం వంటి ప్రమాదాలను తగ్గిస్తుంది-నిర్మాణ సమగ్రతను 30%-50% పెంచడం. అందుకే ట్రైనింగ్ మరియు మెటీరియల్ హ్యాండ్లింగ్ ఎక్విప్మెంట్లో మన్నికైన SWC యూనివర్సల్ జాయింట్ షాఫ్ట్ కప్లింగ్ కఠినమైన పరిస్థితుల్లో చాలా కాలం పాటు బాగా పని చేస్తుంది; ఇది లాంగ్ షాట్ ద్వారా సాంప్రదాయ నమూనాలను అధిగమించింది.
వారు అగ్రశ్రేణి లోడ్-బేరింగ్ మరియు టార్క్ సామర్థ్యాన్ని కూడా కలిగి ఉన్నారు. భారీ బరువులను పట్టుకుని, 0.15 నుండి 1000 kN·m వరకు నామమాత్రపు టార్క్లను ప్రసారం చేయడానికి రూపొందించబడింది, పారిశ్రామిక యూనివర్సల్ జాయింట్ కప్లింగ్ భారీ యంత్రాలలో యూనివర్సల్ జాయింట్ కప్లింగ్ సిస్టమ్లలో ప్రకాశిస్తుంది. ఈ సెటప్లలో, విపరీతమైన లోడ్లలో స్థిరమైన పనితీరు మేక్-ఆర్-బ్రేక్, మరియు ఈ కప్లింగ్ ప్రతిసారీ అందిస్తుంది.
పవర్ ట్రాన్స్మిషన్ సామర్థ్యం విషయానికి వస్తే, వాటిని ఓడించడం కష్టం. 98.6% సామర్థ్యంతో, SWC హెవీ-డ్యూటీ యూనివర్సల్ జాయింట్ కప్లింగ్ శక్తి నష్టాన్ని తక్కువగా ఉంచుతుంది. ఇది అధిక-శక్తి పారిశ్రామిక అనువర్తనాలలో పెద్ద విద్యుత్ ప్రసారానికి సమర్థవంతమైన సార్వత్రిక ఉమ్మడి కలయికగా చేస్తుంది మరియు కాలక్రమేణా, ఆ సామర్థ్యం వాస్తవ వ్యయ పొదుపులకు జోడిస్తుంది.
చివరిది కాని కాదు, అవి శక్తిని ఆదా చేస్తాయి మరియు నిశ్శబ్దంగా నడుస్తాయి. శక్తిని ఆదా చేసే యూనివర్సల్ జాయింట్ కప్లింగ్ సొల్యూషన్స్గా, అవి విద్యుత్ వినియోగాన్ని తగ్గించుకుంటాయి మరియు అవి కేవలం 30-40 dB(A) వద్ద పనిచేస్తాయి. ఈ తక్కువ-శబ్దం యూనివర్సల్ జాయింట్ కప్లింగ్ శబ్దం ఆందోళన కలిగించే పారిశ్రామిక ప్రదేశాలకు సరైనది-మీరు బిగ్గరగా ఆపరేషన్ లేకుండానే మీకు అవసరమైన అన్ని విశ్వసనీయతను పొందుతారు.
యూనివర్సల్ కప్లింగ్స్-చాలా మంది వ్యక్తులు వాటిని యూనివర్సల్ జాయింట్ కప్లింగ్స్ అని పిలుస్తారు-ఒక సరళమైన కానీ ప్రభావవంతమైన యాంత్రిక ఆలోచనపై పని చేస్తారు: అవి రెండు షాఫ్ట్ల మధ్య టార్క్ మరియు భ్రమణ కదలికను కదులుతాయి, అవి సంపూర్ణంగా వరుసలో లేవు, కోణీయ, అక్షసంబంధ మరియు రేడియల్ మిస్అలైన్మెంట్లను బీట్ దాటవేయకుండా నిర్వహిస్తాయి. Raydafon యొక్క SWC కార్డాన్ షాఫ్ట్ యూనివర్సల్ జాయింట్ కప్లింగ్ను తీసుకోండి, ఉదాహరణకు-ఇది ఈ సూత్రానికి గొప్ప ప్రదర్శన. ఇది ప్రతి షాఫ్ట్లోని యోక్లను కనెక్ట్ చేయడానికి క్రాస్-ఆకారపు పైవట్ను ఉపయోగిస్తుంది (మేము దీనిని తరచుగా స్పైడర్ అని పిలుస్తాము), కాబట్టి బిజీగా ఉన్న పారిశ్రామిక సెటప్లలో కూడా శక్తి సజావుగా బదిలీ అవుతుంది.
ఇది ఎలా పని చేస్తుందో ఆ క్రాస్ పైవట్: ఇది యోక్లను స్వతంత్రంగా తిప్పడానికి అనుమతిస్తుంది, ఇది టార్క్ డెలివరీని స్థిరంగా ఉంచేటప్పుడు షాఫ్ట్ 25 డిగ్రీల వరకు వంగి ఉంటుంది. ఈ హై-టార్క్ యూనివర్సల్ జాయింట్ కప్లింగ్ భ్రమణ వేగం మార్పులను కనిష్టంగా ఉంచుతుంది-ముఖ్యంగా ఇది డబుల్ జాయింట్ డిజైన్ అయినప్పుడు-కాబట్టి రోలింగ్ మిల్లు కార్యకలాపాలకు నమ్మకమైన హెవీ-డ్యూటీ యూనివర్సల్ జాయింట్ కప్లింగ్ అవసరమయ్యే ఉద్యోగాలకు ఇది సరైనది. మరియు Raydafon యొక్క SWC సిరీస్తో, ఈ మెకానిజమ్ను మరింత మెరుగ్గా చేయడానికి మేము ఇంటిగ్రేటెడ్ ఫోర్క్ హెడ్ డిజైన్ను జోడించాము: ఇది బోల్ట్లు వదులుగా ఉండటం, నిర్మాణ బలాన్ని 30%-50% పెంచడం వంటి సమస్యలను తొలగిస్తుంది మరియు అధిక ఒత్తిడి ఉన్న ప్రదేశాలలో ఎక్కువసేపు ఉండటానికి సహాయపడుతుంది.
ఈ సూత్రం గొప్ప లోడ్-బేరింగ్ సామర్థ్యానికి కూడా మద్దతు ఇస్తుంది. కప్లింగ్ 0.15 నుండి 1000 kN·m వరకు నామమాత్రపు టార్క్లను నిర్వహిస్తుంది, φ58 మరియు φ620 మధ్య గైరేషన్ వ్యాసాలు ఉంటాయి-అందుకే లిఫ్టింగ్ మరియు మెటీరియల్ హ్యాండ్లింగ్ పరికరాలలో మన్నికైన SWC యూనివర్సల్ జాయింట్ షాఫ్ట్ కలపడం కఠినమైన కార్యకలాపాలకు అంత ఘనమైన ఎంపిక. అదనంగా, ఇండస్ట్రియల్ యూనివర్సల్ జాయింట్ కప్లింగ్ 98.6% ట్రాన్స్మిషన్ సామర్థ్యాన్ని తాకింది, హెవీ మెషినరీ యూనివర్సల్ జాయింట్ కప్లింగ్ సిస్టమ్లలో శక్తి వినియోగాన్ని తగ్గిస్తుంది.
ఇంకా ఏమిటంటే, రేడాఫోన్ యొక్క SWC హెవీ-డ్యూటీ యూనివర్సల్ జాయింట్ కప్లింగ్ మృదువైన ఆపరేషన్పై సూత్రం యొక్క దృష్టికి సరిపోలే లక్షణాలను కలిగి ఉంది: ఇది ప్రసారాన్ని స్థిరంగా ఉంచుతుంది మరియు శబ్దం 30-40 dB(A) మధ్య ఉంటుంది. ఇది పెద్ద పవర్ ట్రాన్స్మిషన్ కోసం సమర్థవంతమైన యూనివర్సల్ జాయింట్ కప్లింగ్గా చేస్తుంది మరియు అధిక-పవర్ ఇండస్ట్రియల్ సెటప్ల కోసం టాప్ ఎనర్జీ-పొదుపు యూనివర్సల్ జాయింట్ కప్లింగ్ సొల్యూషన్గా చేస్తుంది. మొత్తం మీద, ఈ తక్కువ-శబ్దం యూనివర్సల్ జాయింట్ కప్లింగ్ విషయాలను నిశ్శబ్దంగా ఉంచుతుంది, కాబట్టి ఇది శబ్దం ఆందోళన కలిగించే ప్రదేశాలలో-విశ్వసనీయతను త్యాగం చేయకుండా గొప్పగా పనిచేస్తుంది.
⭐⭐⭐⭐⭐ లి జున్, సీనియర్ ఇంజనీర్, జియాంగ్సు పవర్ ఎక్విప్మెంట్ కో., లిమిటెడ్.
మేము ఇప్పుడు కొన్ని నెలలుగా Raydafon యొక్క SWC-BF స్టాండర్డ్ ఫ్లెక్స్ ఫ్లాంగ్ టైప్ యూనివర్సల్ కప్లింగ్ని ఉపయోగిస్తున్నాము మరియు ఇది గొప్పగా పని చేస్తోంది. ఈ కప్లింగ్ యొక్క సౌలభ్యం చాలా ముఖ్యమైనది-ఇది మా యంత్రాంగాన్ని మరింత నమ్మదగినదిగా మార్చింది, ప్రత్యేకించి షాఫ్ట్ తప్పుగా అమరికను భర్తీ చేసే విషయంలో. దీన్ని ఇన్స్టాల్ చేయడం సున్నితమైన ప్రక్రియ, గమ్మత్తైన దశలు లేవు, మరియు వెల్డ్ నాణ్యత కూడా పటిష్టంగా కనిపిస్తుంది-ఖచ్చితంగా ఇది కొనసాగుతుందని మాకు మనశ్శాంతి ఇస్తుంది. ధర కోసం, ఇది నిజంగా మంచి విలువ, మరియు మీరు భారీ యంత్రాల పరిశ్రమలో ఉన్నట్లయితే, నేను ఈ ఫ్లెక్సిబుల్ ఫ్లాంజ్ యూనివర్సల్ కప్లింగ్ని ఖచ్చితంగా సిఫార్సు చేస్తాను.
⭐⭐⭐⭐⭐ జాన్ డేవిస్, మెకానికల్ ఇంజనీర్, మాంచెస్టర్ ఇంజినీరింగ్ లిమిటెడ్., UK
మా మాంచెస్టర్ సదుపాయంలో, మేము Raydafon యొక్క SWC-BF స్టాండర్డ్ ఫ్లెక్స్ ఫ్లాంగ్ టైప్ యూనివర్సల్ కప్లింగ్ కోసం పాత కప్లింగ్ను మార్చుకున్నాము మరియు తేడా వెంటనే స్పష్టంగా కనిపించింది. ఈ యూనివర్సల్ కప్లింగ్ పవర్ను సజావుగా మరియు సమర్ధవంతంగా కదిలిస్తుంది, మేము దానిని అధిక-ఒత్తిడి పరిస్థితులలో నడుపుతున్నప్పటికీ-అది ఎప్పటికీ అనుమతించదు. దాని కఠినమైన డిజైన్తో జత చేయబడిన ఫ్లెక్సిబిలిటీ మన మెషినరీని ఎటువంటి ఇబ్బంది లేకుండా నడుపుతుంది. అదనంగా, Raydafon మాకు డెలివరీని వేగంగా అందించింది మరియు వారి కస్టమర్ సేవ అగ్రశ్రేణిలో ఉంది—మొత్తం కొనుగోలు అనుభవాన్ని మెరుగ్గా చేసింది. ఈ నమ్మకమైన ఫ్లెక్స్ ఫ్లాంజ్ యూనివర్సల్ కప్లింగ్ని బాగా సిఫార్సు చేయండి!
⭐⭐⭐⭐⭐ మాటియో రోస్సీ, ఆపరేషన్స్ మేనేజర్, మిలన్ ఇండస్ట్రియల్ సొల్యూషన్స్, ఇటలీ
మేము మిస్అలైన్మెంట్లను బాగా నిర్వహించగల యూనివర్సల్ కప్లింగ్ కోసం అన్వేషణలో ఉన్నాము మరియు ఆ విధంగా మేము Raydafon యొక్క SWC-BF స్టాండర్డ్ ఫ్లెక్స్ ఫ్లాంగ్ టైప్ యూనివర్సల్ కప్లింగ్ను కనుగొన్నాము. మేము ఇప్పుడు కొన్ని వారాలుగా దీన్ని ఉపయోగిస్తున్నాము మరియు ఇది మా పెట్టెలన్నింటినీ తనిఖీ చేస్తుందని నేను ఖచ్చితంగా చెప్పగలను. దీన్ని ఇన్స్టాల్ చేయడం సులభం, అదనపు అవాంతరం లేదు మరియు మేము దానిని సవాలు పరిస్థితులలో ఉంచినప్పుడు కూడా, అది అలాగే ఉంటుంది. నాణ్యత ధరకు అత్యుత్తమంగా ఉంది-ఖచ్చితంగా మా యంత్రాలకు మంచి పెట్టుబడి. రేడాఫోన్ మాకు అందించిన ఉత్పత్తి మరియు సేవ రెండింటితో నేను నిజంగా సంతోషంగా ఉన్నాను.
Raydafon కేవలం తయారీదారు మాత్రమే కాదు-మేము టాప్-టైర్ ట్రాన్స్మిషన్ కాంపోనెంట్స్ మరియు ఇండస్ట్రియల్ మెషినరీ సొల్యూషన్స్లో ప్రముఖ సరఫరాదారు, మరియు మేము SWC కార్డాన్ షాఫ్ట్ యూనివర్సల్ జాయింట్ కప్లింగ్ వంటి ఉత్పత్తులలో లోతైన నైపుణ్యాన్ని పొందాము. మేము మా కోర్ వద్ద ఆవిష్కరణ మరియు నాణ్యతతో ప్రారంభించాము మరియు కాలక్రమేణా, మేము గేర్బాక్స్లు, డ్రైవ్ షాఫ్ట్లు, హైడ్రాలిక్ సిలిండర్లు, పుల్లీలు మరియు అధునాతన మెషిన్ టూల్స్ను చేర్చడానికి మా లైనప్ను పెంచుకున్నాము-ఇవన్నీ వ్యవసాయ మరియు భారీ-డ్యూటీ పరిశ్రమల కఠినమైన డిమాండ్లను తీర్చడానికి నిర్మించబడ్డాయి. మా హై-టార్క్ యూనివర్సల్ జాయింట్ కప్లింగ్ సొల్యూషన్లు జాగ్రత్తగా రూపొందించబడ్డాయి, టార్క్ బదిలీలు సజావుగా మరియు మిస్లైన్మెంట్లు సరిగ్గా నిర్వహించబడుతున్నాయని నిర్ధారించుకోండి-రోలింగ్ మిల్లు కార్యకలాపాల కోసం నమ్మకమైన హెవీ-డ్యూటీ యూనివర్సల్ జాయింట్ కప్లింగ్ అవసరమయ్యే క్లయింట్లకు అవి ఖచ్చితంగా ఉండాలి.
మా ఉత్పత్తి సౌకర్యాలు అత్యాధునికమైనవి: మాకు CNC వర్క్షాప్లు, గ్రైండింగ్ మరియు హీట్ ట్రీట్మెంట్ గేర్ మరియు 3D కొలత వ్యవస్థలు ఉన్నాయి. మేము ISO9001/TS16949 వంటి కఠినమైన ప్రమాణాలకు కట్టుబడి ఉంటాము, కాబట్టి మేము తయారు చేసే ప్రతి పారిశ్రామిక యూనివర్సల్ జాయింట్ కప్లింగ్ ఖచ్చితమైనది మరియు చివరి వరకు నిర్మించబడింది. లిఫ్టింగ్ మరియు మెటీరియల్ హ్యాండ్లింగ్ ఎక్విప్మెంట్లో మా మన్నికైన SWC యూనివర్సల్ జాయింట్ షాఫ్ట్ కప్లింగ్ను తీసుకోండి, ఉదాహరణకు-ఇది తీవ్రమైన లోడ్-బేరింగ్ పవర్ అవసరమయ్యే ప్రదేశాల కోసం ఆప్టిమైజ్ చేయబడింది. మరియు మా SWC హెవీ డ్యూటీ యూనివర్సల్ జాయింట్ కప్లింగ్? ఇది భారీ యంత్రాల యూనివర్సల్ జాయింట్ కప్లింగ్ సిస్టమ్లలో సమస్యలను పరిష్కరిస్తుంది, ఇక్కడ తీవ్రమైన పరిస్థితుల్లో స్థిరంగా ఉండటం చర్చలకు వీలుకాదు.
మేము గ్లోబల్ రీచ్లో కూడా ఉన్నాము—మా ఉత్పత్తులు 80% US, జర్మనీ, జపాన్, ఇటలీ, మలేషియా, ఆస్ట్రేలియా మరియు మధ్యప్రాచ్యం వంటి మార్కెట్లకు ఎగుమతి చేయబడతాయి. మేము చైనా, దక్షిణ కొరియా, UK, సింగపూర్, US మరియు స్పెయిన్ అంతటా బలమైన నెట్వర్క్ని కలిగి ఉన్నాము, ఇది పెద్ద పవర్ ట్రాన్స్మిషన్ ఎంపికల కోసం అనుకూల సమర్థవంతమైన యూనివర్సల్ జాయింట్ కప్లింగ్ను రూపొందించడానికి మాకు వీలు కల్పిస్తుంది. ఇవి 98.6% ట్రాన్స్మిషన్ ఎఫిషియెన్సీ-హై-పవర్ సెటప్లలో శక్తి వినియోగాన్ని తగ్గించే మా శక్తిని ఆదా చేసే యూనివర్సల్ జాయింట్ కప్లింగ్ సొల్యూషన్ల వంటి నిర్దిష్ట అవసరాలకు అనుగుణంగా ఉంటాయి.
స్థిరత్వం మరియు క్లయింట్-కేంద్రీకృత ఆవిష్కరణలు మాకు ముఖ్యమైనవి. అందుకే మేము 30-40 dB(A) మధ్య శబ్దాన్ని ఉంచే తక్కువ-నాయిస్ యూనివర్సల్ జాయింట్ కప్లింగ్ ఆప్షన్లను అందిస్తాము—శబ్దం ఆందోళన కలిగించే పారిశ్రామిక ప్రదేశాలకు సరైనది. మరియు మేము అమ్మకాల తర్వాత పూర్తి మద్దతుతో ప్రతిదానిని బ్యాకప్ చేస్తాము. పనులను సరిగ్గా చేయడంలో మా నిబద్ధత Raydafonను ప్రసార పరిశ్రమలో నమ్మకమైన భాగస్వామిగా చేస్తుంది, నిపుణులు వారి పరికరాల నుండి అత్యుత్తమ పనితీరు మరియు విశ్వసనీయతను పొందడంలో సహాయపడుతుంది.
చిరునామా
Luotuo ఇండస్ట్రియల్ ఏరియా, Zhenhai జిల్లా, Ningbo సిటీ, చైనా
Tel
ఇ-మెయిల్


+86-574-87168065


Luotuo ఇండస్ట్రియల్ ఏరియా, Zhenhai జిల్లా, Ningbo సిటీ, చైనా
కాపీరైట్ © Raydafon టెక్నాలజీ గ్రూప్ కో., లిమిటెడ్ సర్వ హక్కులూ ప్రత్యేకించబడినవి.
Links | Sitemap | RSS | XML | గోప్యతా విధానం |
