QR కోడ్
మా గురించి
ఉత్పత్తులు
మమ్మల్ని సంప్రదించండి


ఫ్యాక్స్
+86-574-87168065

ఇ-మెయిల్

చిరునామా
Luotuo ఇండస్ట్రియల్ ఏరియా, Zhenhai జిల్లా, Ningbo సిటీ, చైనా
Raydafon యొక్క SWC-WF వితౌట్ ఫ్లెక్స్ ఫ్లాంజ్ టైప్ యూనివర్సల్ కప్లింగ్ భారీ యంత్రాలలో అధిక-టార్క్ ట్రాన్స్మిషన్ కోసం తయారు చేయబడింది-మెటలర్జీ పరికరాలు, క్రేన్లు, మైనింగ్ సిస్టమ్లు, స్థిరమైన శక్తి అవసరమయ్యే అన్ని కఠినమైన సెటప్లు. ఇది నాన్-ఫ్లెక్సిబుల్ ఫ్లేంజ్ డిజైన్ను కలిగి ఉంది, 160 మిమీ నుండి 640 మిమీ వరకు గైరేషన్ డయామీటర్లను కలిగి ఉంది మరియు ఈ ఫ్లాంజ్ రకం యూనివర్సల్ కప్లింగ్ పెద్ద కోణీయ మిస్అలైన్మెంట్లను నిర్వహిస్తుంది మరియు నిరంతర భ్రమణ వేగంతో ఎటువంటి సమస్య లేకుండా చాలా డిమాండ్ ఉన్న పరిస్థితుల్లో పని చేస్తుంది. మేము దీన్ని నిర్మించడానికి అధిక-బలం 35CrMo స్టీల్ను ఉపయోగిస్తాము, కాబట్టి ఇది తీవ్రమైన లోడ్లను సంపూర్ణంగా ఎదుర్కొంటుంది-కచ్చితంగా ఇది భారీ యంత్రాల కోసం యూనివర్సల్ కప్లింగ్లకు మరియు పారిశ్రామిక అనువర్తనాల కోసం నాన్-ఫ్లెక్స్ యూనివర్సల్ కప్లింగ్లకు ఎందుకు అగ్ర ఎంపిక. Raydafon యొక్క ఖచ్చితత్వ తయారీ ప్రతిసారీ పటిష్టమైన పనితీరును అందిస్తుంది, ప్రత్యేకించి స్థిరమైన టార్క్ డెలివరీపై రాజీపడని పరిశ్రమల కోసం.
ఈ SWC-WF యూనివర్సల్ కప్లింగ్ షిప్ బిల్డింగ్ డ్రైవ్లు మరియు రోలింగ్ మిల్లుల వంటి సిస్టమ్లలో ఇన్స్టాలేషన్ను సులభతరం చేసే దృఢమైన ఫ్లాంజ్ కనెక్షన్తో చివరి వరకు నిర్మించబడింది-అక్షసంబంధ కదలికలు ఎక్కువగా లేని ప్రదేశాలలో. మేము ISO 9001 ప్రమాణాలను ఖచ్చితంగా పాటిస్తాము మరియు ఈ మన్నికైన ఫ్లేంజ్ యూనివర్సల్ కప్లింగ్ చేయడానికి మా చైనా-ఆధారిత ఫ్యాక్టరీ అధునాతన మ్యాచింగ్ మరియు గట్టి నాణ్యత తనిఖీలను ఉపయోగిస్తుంది. ఇది 1250 kN·m వరకు టార్క్ రేటింగ్లతో అనుకూలీకరించదగిన పరిమాణాలలో వస్తుంది, కాబట్టి ఇది మెటలర్జీ పరికరాలు మరియు ఇతర భారీ-డ్యూటీ సెటప్ల కోసం అనుకూల యూనివర్సల్ కప్లింగ్లకు సరిగ్గా సరిపోతుంది. Raydafon పోటీ ధరలకు తగిన పరిష్కారాలను కూడా అందిస్తుంది, పనికిరాని సమయాన్ని తగ్గించడంలో మరియు మీ పరికరాల విశ్వసనీయతను పెంచడంలో సహాయపడుతుంది.
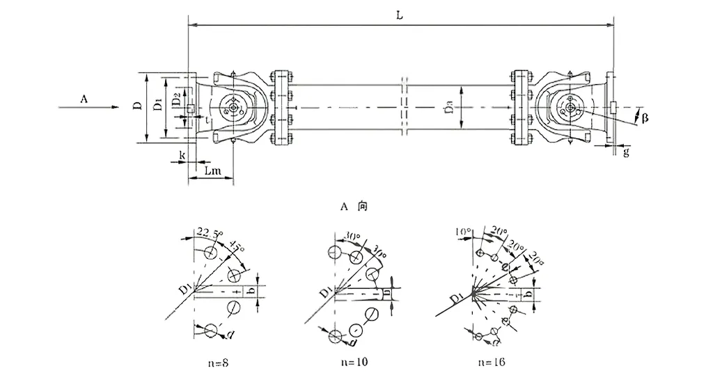
| నం. | గైరేషన్ వ్యాసం డి మి.మీ | నామమాత్రపు టార్క్ Tn KN·m | అక్షాలు మడత కోణం β (°) | అలసిపోయిన టార్క్ Tf KN·m | పరిమాణం (మిమీ) | తిరిగే జడత్వం kg.m2 | బరువు (కిలోలు) | |||||||||||
| Lmin | D1 (js11) | D2 (H7) | D3 | Lm | n-d | k | t | b (h9) | g | Lmin | పెంచండి 100మి.మీ | Lmin | పెంచండి 100మి.మీ | |||||
| SWC285WF | 285 | 90 | 45 | ≤15 | 810 | 245 | 170 | 194 | 160 | 8-21 | 27 | 7 | 40 | 15 | 2.664 | 0.051 | 220 | 6.3 |
| SWC315WF | 315 | 125 | 63 | 915 | 280 | 185 | 219 | 180 | 10-23 | 32 | 8 | 40 | 15 | 4.469 | 0.0795 | 300 | 8.0 | |
| SWC350WF | 350 | 180 | 90 | 980 | 310 | 210 | 267 | 194 | 10-23 | 35 | 8 | 50 | 16 | 7.388 | 0.2219 | 412 | 15.0 | |
| SWC390WF | 390 | 250 | 125 | 1100 | 345 | 235 | 267 | 215 | 10-25 | 40 | 8 | 70 | 18 | 13.184 | 0.2219 | 588 | 15.0 | |
| SWC440WF | 440 | 355 | 180 | 1290 | 390 | 255 | 325 | 260 | 16-28 | 42 | 10 | 80 | 20 | 23.250 | 0.4744 | 880 | 21.7 | |
| SWC490WF | 490 | 500 | 250 | 1360 | 435 | 275 | 325 | 270 | 16-31 | 47 | 12 | 90 | 22.5 | 40.750 | 0.4744 | 1173 | 21.7 | |
| SWC550WF | 550 | 710 | 355 | 1510 | 492 | 320 | 426 | 305 | 16-31 | 50 | 12 | 100 | 22.5 | 68.480 | 1.3570 | 1663 | 34.0 | |
| SWC620WF | 620 | 1000 | 500 | 1690 | 555 | 380 | 426 | 340 | 10-38 | 55 | 12 | 100 | 25 | 127.530 | 1.3570 | 2332 | 34.0 | |
* 1. Tf-ఆల్టర్నేషన్ కింద అలసట బలం ప్రకారం అనుమతించే టార్క్ను లోడ్ చేయండి.
* 2. L-ఇన్స్టాల్ పొడవు, ఇది అవసరానికి అనుగుణంగా ఉంటుంది.
ఫ్లెక్స్ ఫ్లేంజ్ టైప్ యూనివర్సల్ జాయింట్ కప్లింగ్ లేని Raydafon యొక్క SWC-WF-SWC కార్డాన్ షాఫ్ట్ యూనివర్సల్ జాయింట్ కప్లింగ్ అని కూడా పిలుస్తారు-ఒక ప్రాథమిక యాంత్రిక ఆలోచనపై పని చేస్తుంది: ఇది రెండు నాన్-కాలినియర్ షాఫ్ట్ల నుండి టార్క్ని ఎక్కడికి వెళ్లాలి మరియు అది మిస్లైన్మెంట్ను కూడా నిర్వహిస్తుంది. ఈ అధిక-టార్క్ యూనివర్సల్ జాయింట్ కప్లింగ్ రెండు చివర్లలోని అంచులను లింక్ చేయడానికి క్రాస్-బేరింగ్ సెటప్ను ఉపయోగిస్తుంది, కాబట్టి షాఫ్ట్లు 25 డిగ్రీల వరకు ఆఫ్సెట్ చేయబడినా లేదా అక్షసంబంధ/రేడియల్ విచలనాలను కలిగి ఉన్నప్పటికీ, ఇది ఇప్పటికీ భ్రమణ శక్తిని సజావుగా కదిలిస్తుంది.
యూనివర్సల్ జాయింట్ డిజైన్ ఇది ఎలా పనిచేస్తుందనే దాని యొక్క హృదయం-అక్కడ ఒక పైవట్ లాగా పనిచేసే క్రాస్ షాఫ్ట్ ఉంది, ప్రతి ఫ్లాంజ్ దాని స్వంతదానిపై కదలడానికి వీలు కల్పిస్తుంది. ఆ విధంగా, టార్క్ డ్రైవింగ్ షాఫ్ట్ నుండి నడిచే షాఫ్ట్కు సమర్ధవంతంగా వెళుతుంది మరియు ఇది కనెక్ట్ చేయబడిన భాగాలపై ఎక్కువ ఒత్తిడిని కలిగించకుండా కోణీయ మిస్లైన్మెంట్లను భర్తీ చేస్తుంది. రోలింగ్ మిల్లు కార్యకలాపాల కోసం మీకు నమ్మకమైన హెవీ-డ్యూటీ యూనివర్సల్ జాయింట్ కప్లింగ్ అవసరమైతే, దీని దృఢమైన, నాన్-ఫ్లెక్సిబుల్ ఫ్లేంజ్ స్ట్రక్చర్ వస్తువులను స్థిరంగా ఉంచుతుంది, ఇది కాంపాక్ట్ హెవీ మెషినరీ సెటప్లలో తక్కువ-దూర కనెక్షన్లకు సరైనది.
దాని పనితీరును ప్రత్యేకంగా నిలబెట్టేది ఏమిటంటే, దానికి అనువైన భాగాలు లేదా విస్తరణ లక్షణాలు లేవు-ఇది ఇతర రకాల నుండి వేరు చేస్తుంది మరియు అక్షసంబంధ కదలికలు తక్కువగా ఉన్న ప్రదేశాలకు ఇది గొప్పగా చేస్తుంది. మేము ట్రైనింగ్ మరియు మెటీరియల్ హ్యాండ్లింగ్ పరికరాలలో ఉపయోగించే మన్నికైన SWC యూనివర్సల్ జాయింట్ షాఫ్ట్ కప్లింగ్ పెద్ద లోడ్లలో కూడా సమతుల్యంగా ఉండటానికి ఈ సూత్రంపై ఆధారపడి ఉంటుంది; ఇది 98.6% వరకు ప్రసార సామర్థ్యాలను తాకుతుంది మరియు ఎక్కువ శక్తిని వృధా చేయదు. ఈ ఇండస్ట్రియల్ యూనివర్సల్ జాయింట్ కప్లింగ్ కచ్చితమైన బేరింగ్ మూవ్మెంట్కు కృతజ్ఞతలు తెలుపుతూ వైబ్రేషన్లను కూడా తగ్గిస్తుంది, కాబట్టి ఇది అధిక-ఒత్తిడి పరిస్థితులలో కూడా సజావుగా నడుస్తుంది-కఠినమైన పారిశ్రామిక ఉద్యోగాలలో మీరు చూసే భారీ యంత్రాలు యూనివర్సల్ జాయింట్ కప్లింగ్ సిస్టమ్ల వలె.
అదనంగా, Raydafon యొక్క SWC హెవీ-డ్యూటీ యూనివర్సల్ జాయింట్ కప్లింగ్ దానిని దృఢంగా చేయడానికి అంచులను వెల్డింగ్ చేసింది-బోల్ట్లు వదులుగా రావడం గురించి చింతించాల్సిన అవసరం లేదు మరియు ఇది మొత్తం బలాన్ని 30% నుండి 50% వరకు పెంచుతుంది. పెద్ద పవర్ ట్రాన్స్మిషన్ కోసం సమర్థవంతమైన యూనివర్సల్ జాయింట్ కప్లింగ్గా, ఇది 0.15 నుండి 1000 kN·m వరకు నామమాత్రపు టార్క్లను నిర్వహిస్తుంది మరియు φ58 నుండి φ620 వరకు గైరేషన్ డయామీటర్లను కలిగి ఉంది-ఇంధనాన్ని ఆదా చేసే యూనివర్సల్ జాయింట్ కప్లింగ్ సొల్యూషన్లను డిమాండ్ చేసే పారిశ్రామిక ప్రసారాలకు ఇది అగ్ర ఎంపిక. మరియు 30-40 dB(A) మధ్య ఉంచబడిన నాయిస్తో, ఈ తక్కువ-శబ్దం యూనివర్సల్ జాయింట్ కప్లింగ్ నిశ్శబ్దంగా నడుస్తుంది, ఇది అధిక విశ్వసనీయత ప్రమాణాలను పాటిస్తూనే శబ్దం ఆందోళన కలిగించే పారిశ్రామిక ప్రదేశాలకు అనువైనది.
Raydafon యొక్క SWC యూనివర్సల్ జాయింట్ కప్లింగ్-తరచుగా SWC కార్డాన్ షాఫ్ట్ యూనివర్సల్ జాయింట్ కప్లింగ్ అని పిలుస్తారు-ఇది కేవలం సాధారణ భాగం కాదు; రోలింగ్ మిల్లులు, హాయిస్టింగ్ మెషినరీలు మరియు అన్ని రకాల కఠినమైన భారీ యంత్రాల వ్యవస్థల వంటి భారీ-డ్యూటీ పారిశ్రామిక సెటప్ల కోసం ఇది తప్పనిసరిగా ఉండాలి. అధిక-టార్క్ యూనివర్సల్ జాయింట్ కప్లింగ్గా, ఇది ఖచ్చితంగా వరుసలో లేని రెండు ట్రాన్స్మిషన్ షాఫ్ట్లను లింక్ చేసే పటిష్టమైన పనిని చేస్తుంది, పని పరిస్థితులు కఠినంగా ఉన్నప్పుడు కూడా పవర్ ప్రవహించేలా చేస్తుంది.
దాని కీలక స్పెక్స్ గురించి మాట్లాడుదాం: గైరేషన్ వ్యాసం φ58 నుండి φ620 వరకు ఉంటుంది, నామమాత్రపు టార్క్ 0.15 నుండి 1000 kN·m వరకు ఉంటుంది మరియు అక్షం మడత కోణం 25 ° కంటే ఎక్కువ కాదు.
రోలింగ్ మిల్లు కార్యకలాపాల కోసం మీకు నమ్మకమైన హెవీ డ్యూటీ యూనివర్సల్ జాయింట్ కప్లింగ్ లేదా లిఫ్టింగ్ మరియు మెటీరియల్ హ్యాండ్లింగ్ ఎక్విప్మెంట్లో మన్నికైన SWC యూనివర్సల్ జాయింట్ షాఫ్ట్ కప్లింగ్ వంటి నిర్దిష్ట దృశ్యాలలో ఈ ఉత్పత్తి నిజంగా మెరుస్తుంది. ఈ సందర్భాలలో, ఇది భారీ లోడ్లతో వ్యవహరించేటప్పుడు కూడా కార్యకలాపాలను స్థిరంగా ఉంచడం ద్వారా దాని విలువను రుజువు చేస్తుంది.
Raydafon యొక్క SWC యూనివర్సల్ జాయింట్ కప్లింగ్ కేవలం ఫంక్షన్ కోసం నిర్మించబడలేదు-ఇది పారిశ్రామిక ఉపయోగంలో నిలదొక్కుకోవడానికి మరియు దీర్ఘకాలిక పనితీరును కొనసాగించడానికి స్మార్ట్ డిజైన్తో రూపొందించబడింది. దాని నిర్మాణాన్ని ప్రత్యేకంగా విడదీయండి.
ముందుగా, ఇది సహేతుకమైన మరియు సురక్షితమైన కాన్ఫిగరేషన్ను కలిగి ఉంది: మేము ఈ పారిశ్రామిక యూనివర్సల్ జాయింట్ కప్లింగ్ కోసం ఇంటిగ్రేటెడ్ ఫోర్క్ హెడ్ డిజైన్ను ఉపయోగించాము, ఇది బోల్ట్లు వదులుగా లేదా విరిగిపోవటం వంటి ప్రమాదాలను తగ్గిస్తుంది. అది మాత్రమే దాని నిర్మాణ సమగ్రతను 30%-50% పెంచుతుంది, కాబట్టి ఇది సురక్షితంగా మరియు విశ్వసనీయంగా పని చేస్తుంది. సాధారణ కప్లింగ్లతో పోలిస్తే, ఇది ఎక్కువసేపు ఉంటుంది మరియు కఠినమైన ఉద్యోగాలలో మీరు చూసే భారీ యంత్రాలు యూనివర్సల్ జాయింట్ కప్లింగ్ సిస్టమ్ల వంటి అధిక-ఒత్తిడి ప్రదేశాలలో సాధారణ విచ్ఛిన్నాలను నివారిస్తుంది.
దాని మెరుగైన లోడ్-బేరింగ్ సామర్థ్యం ఉంది: ఈ SWC హెవీ-డ్యూటీ యూనివర్సల్ జాయింట్ కప్లింగ్ పెద్ద బరువులను నిర్వహించడానికి తయారు చేయబడింది, కాబట్టి మైనింగ్ లేదా నిర్మాణ యంత్రాలు వంటి అగ్రశ్రేణి లోడ్ నిర్వహణ అవసరమయ్యే ప్రదేశాలలో ఇది తప్పనిసరిగా ఉండాలి.
ఇది అధిక ప్రసార సామర్థ్యాన్ని కూడా అందిస్తుంది - 98.6% వరకు కొట్టడం. పెద్ద పవర్ ట్రాన్స్మిషన్ కోసం సమర్థవంతమైన యూనివర్సల్ జాయింట్ కప్లింగ్గా, ఇది శక్తి వినియోగాన్ని మరియు దానితో వచ్చే ఖర్చులను తగ్గిస్తుంది. అందుకే అధిక-శక్తి పారిశ్రామిక ప్రసార సెటప్లలో శక్తిని ఆదా చేసే యూనివర్సల్ జాయింట్ కప్లింగ్ సొల్యూషన్స్కు ఇది అగ్ర ఎంపిక.
మరియు ఇది తక్కువ శబ్దంతో సాఫీగా నడుస్తుంది: ఇది ప్రసారాన్ని స్థిరంగా ఉంచుతుంది మరియు శబ్దం సాధారణంగా 30-40 dB(A) మధ్య ఉంటుంది. ఈ తక్కువ-నాయిస్ యూనివర్సల్ జాయింట్ కప్లింగ్ ఆపరేషన్లు నిశ్శబ్దంగా ఉండేలా చేస్తుంది, ఇది శబ్దం సమస్య ఉన్న ప్రదేశాలకు సరైనది-అన్నీ విశ్వసనీయతను అధిక స్థాయిలో ఉంచుతాయి.
⭐⭐⭐⭐⭐ చెన్ లియాంగ్, ప్రొడక్షన్ ఇంజనీర్, జెజియాంగ్ మెషినరీ కో., లిమిటెడ్.
మేము మా ప్రొడక్షన్ లైన్లలో ఒకదానిలో ఫ్లెక్స్ ఫ్లాంజ్ టైప్ యూనివర్సల్ కప్లింగ్ లేకుండా Raydafon యొక్క SWC-WFని ఉంచాము మరియు ఇది ఇప్పటివరకు గొప్పగా పని చేస్తోంది. నిర్మాణం సరళమైనది కానీ కఠినమైనది-దీనిని ఇన్స్టాల్ చేయడం చాలా కష్టం, సంక్లిష్టమైన దశలు లేవు. ఇది సెటప్ చేసిన తర్వాత, అది సాఫీగా నడుస్తుంది, అదనపు ట్వీక్స్ అవసరం లేదు. భారం ఎక్కువగా ఉన్నప్పటికీ, ఈ కలపడం నమ్మదగినదిగా ఉంటుంది, అంటే మనం ఎక్కువ చింతించకుండా ఎక్కువ గంటలు పని చేసేలా యంత్రాలను ఉంచగలము-ఖచ్చితంగా మనకు మరింత మనశ్శాంతిని ఇస్తుంది.
⭐⭐⭐⭐⭐ సన్ మెయి, పర్చేజింగ్ సూపర్వైజర్, హెబీ స్టీల్ కో., లిమిటెడ్.
మా కంపెనీ Raydafon నుండి ఫ్లెక్స్ ఫ్లాంజ్ టైప్ యూనివర్సల్ కప్లింగ్స్ లేకుండా అనేక SWC-WFని కొనుగోలు చేసింది మరియు మొదటగా, డెలివరీ సరైన సమయానికి జరిగింది మరియు ప్యాకేజింగ్ కూడా జాగ్రత్తగా ఉంది-ఏమీ నష్టం లేదు. వర్క్షాప్ బృందం చెప్పినది నాకు నిజంగా ప్రత్యేకంగా నిలుస్తుంది: కప్లింగ్లను ఇన్స్టాల్ చేయడం సులభం అని వారు నాకు చెప్పారు మరియు వాటిని ఉపయోగిస్తున్నప్పుడు, అవి నిజంగా దృఢంగా అనిపిస్తాయి. అదనంగా, ఇతర సరఫరాదారులతో పోలిస్తే, ఇక్కడ ధర సరసమైనది. మొత్తం మీద, మేము ఈ కొనుగోలుతో నిజంగా సంతోషంగా ఉన్నాము.
⭐⭐⭐⭐⭐ గువో జూన్, మెయింటెనెన్స్ మేనేజర్, లియానింగ్ హెవీ ఇండస్ట్రీ గ్రూప్
నా పని మా మెషీన్లను రన్నింగ్గా ఉంచడం, మరియు నేను పనికిరాని సమయాన్ని తగ్గించడానికి ప్రయత్నిస్తాను. మేము ఫ్లెక్స్ ఫ్లాంజ్ టైప్ యూనివర్సల్ కప్లింగ్ లేకుండా Raydafon యొక్క SWC-WFని ఉపయోగించడం ప్రారంభించినప్పటి నుండి, నేను పెద్ద వ్యత్యాసాన్ని గమనించాను-తక్కువ దుస్తులు ధరించడం మరియు ఆపరేషన్ సమయంలో చాలా తక్కువ సమస్యలు ఉన్నాయి. డిజైన్ కఠినమైనది మరియు దీనికి ఎక్కువ నిర్వహణ అవసరం లేదు. ఇది మాకు సమయం మరియు డబ్బు రెండింటినీ ఆదా చేస్తుంది మరియు ఇది మా పరికరాలకు చాలా ఆధారపడదగిన భాగంగా మారింది.
Raydafon అనేది EVER-POWER Group Co., Ltd. యొక్క కీలక అనుబంధ సంస్థ-మేము కేవలం సరఫరాదారు మాత్రమే కాదు, అత్యుత్తమ-నాణ్యత ట్రాన్స్మిషన్ భాగాలు మరియు పారిశ్రామిక పరిష్కారాల కోసం గో-టు ప్రొవైడర్, మరియు మేము SWC కార్డాన్ షాఫ్ట్ యూనివర్సల్ జాయింట్ కప్లింగ్ వంటి వినూత్న ఉత్పత్తులపై చాలా దృష్టి పెడతాము. మేము ప్రారంభించినప్పటి నుండి, మేము సాంకేతికతను అభివృద్ధి చేయడం మరియు గ్లోబల్ మార్కెట్లలో అభివృద్ధి చెందడం; మేము సింగిల్ కాంపోనెంట్లను విక్రయించడం ఆపలేదు-ఇప్పుడు మేము వ్యవసాయ మరియు భారీ-డ్యూటీ పారిశ్రామిక అవసరాలకు సరిగ్గా సరిపోయే పూర్తి-వ్యవస్థ పరిష్కారాలను రూపొందించాము. డ్రైవ్ షాఫ్ట్లు మరియు ట్రాన్స్మిషన్ ఉత్పత్తులలో మా పరిజ్ఞానం అంటే రోలింగ్ మిల్లు కార్యకలాపాలకు (మరియు ఇతర కఠినమైన ఉద్యోగాలు) నమ్మకమైన హెవీ-డ్యూటీ యూనివర్సల్ జాయింట్ కప్లింగ్ అవసరమయ్యే క్లయింట్లు మమ్మల్ని ఘన భాగస్వామిగా పరిగణించవచ్చు.
Raydafon వద్ద, మేము అనేక రకాల ఉత్పత్తులను తయారు చేస్తాము: గేర్బాక్స్లు, డ్రైవ్ షాఫ్ట్లు, హైడ్రాలిక్ సిలిండర్లు, పుల్లీలు మరియు CNC లాత్లు మరియు మిల్లింగ్ మెషీన్ల వంటి అధునాతన యంత్ర పరికరాలు కూడా. మా హై-టార్క్ యూనివర్సల్ జాయింట్ కప్లింగ్ సొల్యూషన్లు-ఉదాహరణకు SWC సిరీస్ను తీసుకోండి-లిఫ్టింగ్ మరియు మెటీరియల్ హ్యాండ్లింగ్ పరికరాలలో మన్నికైన SWC యూనివర్సల్ జాయింట్ షాఫ్ట్ కప్లింగ్ అవసరమయ్యే పరిశ్రమల యొక్క కఠినమైన డిమాండ్లను నిర్వహించడానికి నిర్మించబడ్డాయి. మేము అధునాతన సౌకర్యాలను కూడా పొందాము: CNC వర్క్షాప్లు, గ్రైండింగ్ మరియు హీట్ ట్రీట్మెంట్ మెషీన్లు, 3D కొలత సాధనాలు-ఇవన్నీ ISO9001/TS16949 ప్రమాణాలకు కట్టుబడి ఉంటాయి, కాబట్టి మేము తయారుచేసే ప్రతి పారిశ్రామిక యూనివర్సల్ జాయింట్ కప్లింగ్ అత్యుత్తమ నాణ్యత మరియు ఖచ్చితమైనది.
మేము మా ఉత్పత్తులలో 80% విదేశాలలో US, జర్మనీ, జపాన్, ఇటలీ, మలేషియా, ఆస్ట్రేలియా మరియు మిడిల్ ఈస్ట్ వంటి మార్కెట్లకు విక్రయిస్తాము. చైనా, దక్షిణ కొరియా, UK, సింగపూర్, US మరియు స్పెయిన్ వంటి ప్రదేశాలలో మేము బలమైన నెట్వర్క్ని కలిగి ఉన్నాము. ఈ గ్లోబల్ రీచ్ అనేది SWC హెవీ-డ్యూటీ యూనివర్సల్ జాయింట్ కప్లింగ్ వంటి అనుకూలీకరించిన సొల్యూషన్లను రూపొందించడానికి అనుమతిస్తుంది—భారీ యంత్రాల యూనివర్సల్ జాయింట్ కప్లింగ్ సిస్టమ్ల కోసం రూపొందించబడింది, ఇది పెద్ద లోడ్లను నిర్వహించడానికి మరియు ఎక్కువ కాలం పాటు ఉంటుంది.
ఇన్నోవేషన్ మరియు కస్టమర్లను సంతోషపెట్టడం మా ప్రాధాన్యతలు. మేము శక్తి-పొదుపు యూనివర్సల్ జాయింట్ కప్లింగ్ సొల్యూషన్లను అందిస్తాము, ఇవి 98.6% ట్రాన్స్మిషన్ సామర్థ్యాన్ని తాకడం, అధిక-పవర్ సెటప్ల కోసం కార్యాచరణ ఖర్చులను తగ్గించడం. మీకు పెద్ద పవర్ ట్రాన్స్మిషన్ కోసం సమర్థవంతమైన యూనివర్సల్ జాయింట్ కప్లింగ్ లేదా నాయిస్ ముఖ్యమైన ప్రదేశాల కోసం తక్కువ-నాయిస్ యూనివర్సల్ జాయింట్ కప్లింగ్ కావాలా, మా ఉత్పత్తులు ప్రొఫెషనల్ ఆఫ్టర్ సేల్స్ సర్వీస్తో వస్తాయి-మరియు మేము పనులను సరిగ్గా చేయడానికి అంకితభావంతో ఉన్నాము. అందుకే మీ అన్ని ప్రసార అవసరాలకు Raydafon ఉత్తమ ఎంపిక.
చిరునామా
Luotuo ఇండస్ట్రియల్ ఏరియా, Zhenhai జిల్లా, Ningbo సిటీ, చైనా
Tel
ఇ-మెయిల్


+86-574-87168065


Luotuo ఇండస్ట్రియల్ ఏరియా, Zhenhai జిల్లా, Ningbo సిటీ, చైనా
కాపీరైట్ © Raydafon టెక్నాలజీ గ్రూప్ కో., లిమిటెడ్ సర్వ హక్కులూ ప్రత్యేకించబడినవి.
Links | Sitemap | RSS | XML | గోప్యతా విధానం |
