QR కోడ్
మా గురించి
ఉత్పత్తులు
మమ్మల్ని సంప్రదించండి


ఫ్యాక్స్
+86-574-87168065

ఇ-మెయిల్

చిరునామా
Luotuo ఇండస్ట్రియల్ ఏరియా, Zhenhai జిల్లా, Ningbo సిటీ, చైనా
Raydafon యొక్క SWC-WD షార్ట్ వితౌట్ ఫ్లెక్స్ ఫ్లాంజ్ టైప్ యూనివర్సల్ కప్లింగ్ భారీ యంత్రాలలో టార్క్ను సమర్ధవంతంగా తరలించడానికి నిర్మించబడింది-ఉక్కు రోలింగ్ మిల్లులు, క్రేన్లు, లిఫ్టింగ్ పరికరాలు, అన్ని భారీ-డ్యూటీ గేర్లు. ఇది 180mm నుండి 1320mm వరకు గైరేషన్ డయామీటర్లతో కూడిన కాంపాక్ట్, నాన్-టెలిస్కోపిక్ ఫ్లాంజ్ డిజైన్ను కలిగి ఉంది. ఈ షార్ట్ ఫ్లేంజ్ యూనివర్సల్ కప్లింగ్ 15 డిగ్రీల వరకు కోణీయ మిస్అలైన్మెంట్లను మరియు 16000 kN·m వరకు టార్క్ను హ్యాండిల్ చేయగలదు, కాబట్టి ఎక్కువ స్థలం లేని ఇరుకైన ప్రదేశాలలో కూడా, ఇది శక్తిని విశ్వసనీయంగా బదిలీ చేస్తుంది. మేము దీనిని అధిక-బలం కలిగిన 35CrMo స్టీల్తో తయారు చేస్తాము, బోల్ట్లు అవసరం లేని బేరింగ్ నిర్మాణంతో-భారీ యంత్రాల కోసం సార్వత్రిక కప్లింగ్లకు మరియు పారిశ్రామిక అనువర్తనాల కోసం నాన్-టెలిస్కోపిక్ యూనివర్సల్ కప్లింగ్లకు ఇది సరైనది. దీనికి ఎక్కువ నిర్వహణ అవసరం లేదు మరియు ఎప్పటికీ ఉంటుంది, ఇది కఠినమైన సెటప్లలో మీకు అవసరమైనది.
చైనాలో మా తయారీ ISO 9001 ప్రమాణాలను అనుసరిస్తుంది, కాబట్టి SWC-WD యూనివర్సల్ కప్లింగ్ కఠినమైన పరిస్థితులలో కొనసాగుతుంది. క్రాస్ షాఫ్ట్ తుప్పును నిరోధించడానికి క్రోమ్ పూతతో ఉంటుంది, దాని గట్టిదనాన్ని పెంచుతుంది. దీని దృఢమైన, వెల్డెడ్ ఫ్లాంజ్ డిజైన్ ఇన్స్టాలేషన్ను బ్రీజ్గా చేస్తుంది, ముఖ్యంగా లోహశాస్త్రం మరియు మైనింగ్ పరికరాలలో అక్షసంబంధ కదలిక చాలా తక్కువగా ఉంటుంది. మేము మీ అవసరాలకు సరిపోయేలా పరిమాణాన్ని అనుకూలీకరించవచ్చు, కాబట్టి ఈ మన్నికైన షార్ట్ యూనివర్సల్ కప్లింగ్ క్రేన్ సిస్టమ్లు మరియు ఇతర భారీ-డ్యూటీ ఉద్యోగాల కోసం అనుకూల యూనివర్సల్ కప్లింగ్ల వలె గొప్పగా పనిచేస్తుంది. మరియు ధర కూడా పోటీగా ఉంది. Raydafon యొక్క ఖచ్చితమైన నైపుణ్యం అంటే తక్కువ పనికిరాని సమయం మరియు మరింత విశ్వసనీయమైన పరికరాలు-ప్రపంచంలోని పారిశ్రామిక ఆపరేటర్లు పరిగణించవచ్చు.
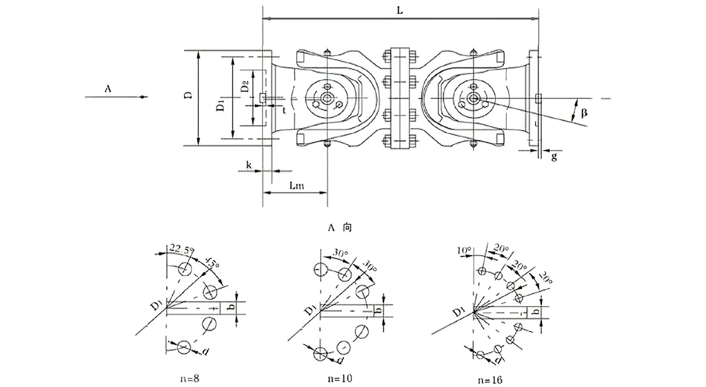
| నం. | గైరేషన్ వ్యాసం డి మి.మీ | నామమాత్రపు టార్క్ Tn KN·m | అక్షాలు మడత కోణం β (°) | అలసిపోయిన టార్క్ Tf KN·m | పరిమాణం (మిమీ) | బరువు (కిలోలు) | |||||||||
| Lmin | D1 (js11) | D2 (H7) | Lm | n-d | k | t | b (h9) | g | Lmin | పెంచండి 100మి.మీ | |||||
| SWC180WD | 180 | 12.5 | 6.3 | ≤25 | 440 | 155 | 105 | 110 | 8-17 | 17 | 5 | - | - | 0.145 | 52 |
| SWC225WD | 225 | 40 | 20 | ≤15 | 480 | 196 | 135 | 120 | 8-17 | 20 | 5 | 32 | 9.0 | 0.355 | 82 |
| SWC250WD | 250 | 63 | 31.5 | 560 | 218 | 150 | 140 | 8-19 | 25 | 6 | 40 | 12.5 | 0.831 | 127 | |
| Swc285wd | 285 | 90 | 45 | 640 | 245 | 170 | 160 | 8-21 | 27 | 7 | 40 | 15.0 | 1.715 | 189 | |
| SWC315WD | 315 | 125 | 63 | 720 | 280 | 185 | 180 | 10-23 | 32 | 8 | 40 | 15.0 | 2.820 | 270 | |
| SWC350WD | 350 | 180 | 90 | 776 | 310 | 210 | 194 | 10-23 | 35 | 8 | 50 | 16.0 | 4.791 | 370 | |
| SWC390WD | 390 | 250 | 125 | 860 | 345 | 235 | 215 | 10-25 | 40 | 8 | 70 | 18.0 | 8.229 | 524 | |
| Swc440wd | 440 | 355 | 180 | 1040 | 390 | 255 | 260 | 16-28 | 42 | 10 | 80 | 20.0 | 15.320 | 798 | |
| SWC490WD | 490 | 500 | 250 | 1080 | 435 | 275 | 270 | 16-31 | 47 | 12 | 90 | 22.5 | 25.740 | 1055 | |
| SWC550WD | 550 | 710 | 355 | 1220 | 492 | 320 | 305 | 16-31 | 50 | 12 | 100 | 22.5 | 46.780 | 1524 | |
| SWC620WD | 620 | 1000 | 500 | 1360 | 555 | 380 | 340 | 10-38 | 55 | 12 | 100 | 25.0 | 83.760 | 2120 | |
* 1. Tf-ఆల్టర్నేషన్ కింద అలసట బలం ప్రకారం అనుమతించే టార్క్ను లోడ్ చేయండి.
Raydafon యొక్క SWC యూనివర్సల్ జాయింట్ కప్లింగ్-సాధారణంగా SWC కార్డాన్ షాఫ్ట్ యూనివర్సల్ జాయింట్ కప్లింగ్ అని పిలుస్తారు-ఇది కేవలం ఒక భాగం కాదు; రోలింగ్ మిల్లులు, ఎగురవేసే పరికరాలు మరియు అన్ని రకాల కఠినమైన భారీ యంత్రాల సెటప్లు వంటి భారీ-డ్యూటీ పారిశ్రామిక రంగాలలో ఇది తప్పనిసరిగా ఉండాలి. అధిక-టార్క్ యూనివర్సల్ జాయింట్ కప్లింగ్గా, ఇది ఖచ్చితంగా సమలేఖనం చేయబడని రెండు ట్రాన్స్మిషన్ షాఫ్ట్లను అనుసంధానించే పటిష్టమైన పనిని చేస్తుంది, పని పరిస్థితులు నిజంగా కఠినంగా ఉన్నప్పటికీ పవర్ సజావుగా పంపిణీ చేయబడుతుందని నిర్ధారించుకోండి.
దాని ప్రధాన స్పెక్స్ గురించి మాట్లాడుదాం: గైరేషన్ వ్యాసం φ58 నుండి φ620 వరకు ఉంటుంది, నామమాత్రపు టార్క్ 0.15 నుండి 1000 kN·m వరకు ఉంటుంది మరియు అక్షం మడత కోణం 25 ° కంటే ఎక్కువ కాదు.
రోలింగ్ మిల్లు కార్యకలాపాల కోసం మీకు నమ్మకమైన హెవీ డ్యూటీ యూనివర్సల్ జాయింట్ కప్లింగ్ లేదా లిఫ్టింగ్ మరియు మెటీరియల్ హ్యాండ్లింగ్ ఎక్విప్మెంట్లో మన్నికైన SWC యూనివర్సల్ జాయింట్ షాఫ్ట్ కప్లింగ్ వంటి నిర్దిష్ట ప్రదేశాలలో ఈ కప్లింగ్ ఉత్తమంగా పని చేస్తుంది. ఈ సందర్భాలలో, ఇది దాని బలాన్ని ప్రదర్శిస్తుంది: పెద్ద ఒత్తిళ్లలో కూడా, ఇది కార్యకలాపాలను స్థిరంగా ఉంచుతుంది, గందరగోళం లేదా విచ్ఛిన్నం లేదు.
Raydafon యొక్క SWC యూనివర్సల్ జాయింట్ కప్లింగ్ కేవలం ఒకదానితో ఒకటి విసిరివేయబడలేదు-ఇది గొప్పగా పని చేయడానికి మరియు పారిశ్రామిక ఉపయోగంలో ఎక్కువ కాలం పాటు ఉండటానికి స్మార్ట్, అప్-టు-డేట్ ఇంజనీరింగ్తో నిర్మించబడింది. దాని నిర్మాణాన్ని ప్రత్యేకంగా నిలబెట్టే దాని ద్వారా నడుద్దాం.
ముందుగా, ఇది సహేతుకమైన మరియు సురక్షితమైన కాన్ఫిగరేషన్ను కలిగి ఉంది: మేము ఈ పారిశ్రామిక యూనివర్సల్ జాయింట్ కప్లింగ్ కోసం ఇంటిగ్రేటెడ్ ఫోర్క్ హెడ్ డిజైన్ను ఉపయోగించాము, ఇది బోల్ట్లు వదులుగా లేదా విరిగిపోవటం వంటి ప్రమాదాలను తగ్గిస్తుంది. ఆ సర్దుబాటు మాత్రమే మొత్తం 30%-50% దృఢంగా చేస్తుంది, కాబట్టి ఇది సురక్షితంగా మరియు స్థిరంగా నడుస్తుంది. సాధారణ కప్లింగ్లతో పోలిస్తే, ఇది ఎక్కువ కాలం పాటు కొనసాగుతుంది మరియు మీరు కఠినమైన ఉద్యోగాల్లో చూసే భారీ యంత్రాలు యూనివర్సల్ జాయింట్ కప్లింగ్ సిస్టమ్ల వంటి అధిక-టెన్షన్ స్పాట్లలో సాధారణ సమస్యలను నివారిస్తుంది.
అప్పుడు దాని మెరుగైన లోడ్-బేరింగ్ సామర్థ్యం ఉంది: ఈ SWC హెవీ-డ్యూటీ యూనివర్సల్ జాయింట్ కప్లింగ్ పెద్ద బరువులను నిర్వహించడానికి తయారు చేయబడింది, కాబట్టి మైనింగ్ గేర్ లేదా నిర్మాణ యంత్రాలు వంటి టాప్-గీత లోడ్ హ్యాండ్లింగ్ అవసరమయ్యే ప్రదేశాలలో ఇది తప్పనిసరిగా ఉండాలి.
ఇది అధిక ప్రసార సామర్థ్యాన్ని కూడా తాకింది-98.6% వరకు. పెద్ద పవర్ ట్రాన్స్మిషన్ కోసం సమర్థవంతమైన యూనివర్సల్ జాయింట్ కప్లింగ్గా, ఇది శక్తి వినియోగాన్ని మరియు దానితో వచ్చే ఖర్చులను తగ్గిస్తుంది. అందుకే అధిక-శక్తి పారిశ్రామిక ప్రసార సెటప్లలో శక్తిని ఆదా చేసే యూనివర్సల్ జాయింట్ కప్లింగ్ సొల్యూషన్ల కోసం ఇది అగ్ర ఎంపిక.
మరియు ఇది తక్కువ శబ్దంతో సాఫీగా నడుస్తుంది: ప్రసారం స్థిరంగా ఉంటుంది మరియు శబ్దం సాధారణంగా 30-40 dB(A) మధ్య ఉంటుంది. ఈ తక్కువ-శబ్దం యూనివర్సల్ జాయింట్ కప్లింగ్ కార్యకలాపాలను నిశ్శబ్దంగా ఉంచుతుంది, ఇది శబ్దం సమస్య ఉన్న పారిశ్రామిక ప్రదేశాలకు సరైనది-అన్నీ విశ్వసనీయతను అధిక స్థాయిలో ఉంచుతాయి.
⭐⭐⭐⭐⭐ జాంగ్ వీ, చీఫ్ ఇంజనీర్, హెనాన్ మైనింగ్ ఎక్విప్మెంట్ కో., లిమిటెడ్.
మేము మా మైనింగ్ మెషినరీలో ఫ్లెక్స్ ఫ్లాంజ్ టైప్ యూనివర్సల్ కప్లింగ్ లేకుండా Raydafon యొక్క SWC-WD షార్ట్ని ఉంచాము మరియు ఇది ఖచ్చితంగా సరిపోయేలా ఉంది. దీని కాంపాక్ట్ డిజైన్ మనకు కావలసినది బిగుతుగా ఉండే ప్రదేశాలకు మాత్రమే అవసరం, ఇక్కడ ఎక్కువ స్థలం ఉండదు మరియు ఆపరేషన్లను స్థిరంగా ఉంచడానికి బిల్డ్ చాలా కఠినంగా ఉంటుంది. హెవీ డ్యూటీ పరిస్థితుల్లో ఇది నాన్స్టాప్గా నడుస్తున్నప్పటికీ, ఈ కలపడం మమ్మల్ని ఎప్పుడూ నిరాశపరచదు-అస్సలు వైఫల్యాలు లేవు. మా మెయింటెనెన్స్ టీమ్ దీనికి చెక్ ఇన్ చేయాల్సిన అవసరం లేదని ఇష్టపడుతుంది, అంటే అదనపు అవాంతరాలు లేకుండా ఉత్పత్తిని సజావుగా కొనసాగించగలము.
⭐⭐⭐⭐⭐ మైఖేల్ బ్రౌన్, ఆపరేషన్స్ మేనేజర్, టెక్సాస్ స్టీల్ వర్క్స్, USA
మా టెక్సాస్ వర్క్షాప్ Raydafon నుండి SWC-WD షార్ట్ వితౌట్ ఫ్లెక్స్ ఫ్లాంజ్ టైప్ యూనివర్సల్ కప్లింగ్ని ఆర్డర్ చేసింది మరియు నిజాయితీగా, నాణ్యత మమ్మల్ని ఆశ్చర్యపరిచింది. కప్లింగ్లు బాగా మెషిన్ చేయబడ్డాయి, వాటిని ఇన్స్టాల్ చేయడం ఒక సిన్చ్, మరియు లోడ్లో ఉన్నప్పుడు కూడా అవి విశ్వసనీయంగా ఉంటాయి. నాకు బాగా నచ్చినది ఏమిటి? ఇది ధర మరియు పనితీరును ఎంత బాగా బ్యాలెన్స్ చేస్తుంది-మీరు తరచుగా ఆ మధురమైన స్థానాన్ని కనుగొనలేరు. ఈ స్థాయి నాణ్యతను స్థిరంగా అందించే సరఫరాదారుని కనుగొనడం అంత సులభం కాదు, కానీ Raydafon వారు మాకు నమ్మదగిన భాగస్వామి అని ఖచ్చితంగా నిరూపించారు.
⭐⭐⭐⭐⭐ అన్నా ముల్లర్, మెయింటెనెన్స్ సూపర్వైజర్, బెర్లిన్ ఇండస్ట్రియల్ సొల్యూషన్స్, జర్మనీ
మేము మా బెర్లిన్ పరికరాల లైన్లో ఫ్లెక్స్ ఫ్లాంజ్ టైప్ యూనివర్సల్ కప్లింగ్ లేకుండా Raydafon యొక్క SWC-WD షార్ట్ని ఉంచాము మరియు ఫలితాలు చాలా బాగున్నాయి. ఉత్పత్తి స్వయంగా రాక్-సాలిడ్గా అనిపిస్తుంది, వెల్డింగ్ ఖచ్చితమైనది-ఇక్కడ నాసిరకం పని లేదు-మరియు ఇప్పటివరకు, ఇది చాలా బాగా నిర్వహించబడింది, ఇది అగ్రశ్రేణి మన్నికను చూపుతుంది. ఐరోపాలో మేము ఇక్కడ ఉపయోగించిన కొన్ని ఇతర బ్రాండ్లతో పోలిస్తే, ఈ కలపడం మరింత నమ్మదగినది మరియు ధర కూడా మరింత పోటీగా ఉంటుంది. ఇతర కంపెనీలు ఆధారపడదగిన యూనివర్సల్ కప్లింగ్స్ కోసం చూస్తున్నట్లయితే, నేను ఖచ్చితంగా Raydafonని సిఫార్సు చేస్తాను.
Raydafon యొక్క SWC-WD షార్ట్ వితౌట్ ఫ్లెక్స్ ఫ్లాంజ్ టైప్ యూనివర్సల్ కప్లింగ్-తరచుగా SWC కార్డాన్ షాఫ్ట్ యూనివర్సల్ జాయింట్ కప్లింగ్ అని పిలుస్తారు-ఇండస్ట్రియల్ స్పాట్ల కోసం నిర్మించబడింది, ఇక్కడ స్థలం పరిమితంగా ఉంటుంది మరియు మీకు స్థిర-పొడవు డిజైన్ అవసరం (టెలీస్కోపిక్ పొడిగింపు లేదు). అధిక-టార్క్ యూనివర్సల్ జాయింట్ కప్లింగ్గా, ఇది సమలేఖనం చేయని షాఫ్ట్ల మధ్య టార్క్ను సమర్ధవంతంగా కదిలిస్తుంది, 25 డిగ్రీల వరకు కోణీయ విచలనాలను నిర్వహిస్తుంది మరియు ఇది భారీ-డ్యూటీ వాతావరణంలో కూడా నమ్మదగినదిగా ఉంటుంది.
దాని ముఖ్య లక్షణాల గురించి మాట్లాడుదాం: ఇది కాంపాక్ట్ మరియు దృఢమైన నిర్మాణాన్ని కలిగి ఉంది-ఈ చిన్న, నాన్-ఫ్లెక్సిబుల్ ఫ్లాంజ్ సెటప్ రోలింగ్ మిల్లు కార్యకలాపాలకు నమ్మకమైన హెవీ డ్యూటీ యూనివర్సల్ జాయింట్ కప్లింగ్గా చేస్తుంది, అక్షసంబంధ కదలిక తక్కువగా ఉన్న సెటప్లలో అదనపు స్థిరత్వాన్ని ఇస్తుంది. అందుకే కఠినమైన యంత్రాలలో స్థిర-దూర కనెక్షన్ల కోసం ఇది బాగా పనిచేస్తుంది. అప్పుడు దాని అధిక లోడ్-బేరింగ్ సామర్థ్యం ఉంది: మేము దానిని తయారు చేయడానికి కాస్ట్ ఐరన్ లేదా అల్లాయ్ స్టీల్ వంటి కఠినమైన పదార్థాలను ఉపయోగిస్తాము, కాబట్టి ఇది ట్రైనింగ్ మరియు మెటీరియల్ హ్యాండ్లింగ్ పరికరాలలో మన్నికైన SWC యూనివర్సల్ జాయింట్ షాఫ్ట్ కలపడం. ఇది పెద్ద బరువులను కలిగి ఉంటుంది మరియు అదే వ్యాసం కలిగిన ఇతర కప్లింగ్ల కంటే ఎక్కువ టార్క్ను ప్రసారం చేస్తుంది, ఇది మైనింగ్ లేదా నిర్మాణ గేర్లో భారీ లోడ్లకు సరైనదిగా చేస్తుంది.
ఈ ఇండస్ట్రియల్ యూనివర్సల్ జాయింట్ కప్లింగ్ తప్పుగా అమరికను కూడా భర్తీ చేస్తుంది-ఇది కోణీయమైనా, సమాంతరమైనా లేదా అక్షసంబంధమైన తప్పుడు అమరిక అయినా, భ్రమణ వేగం లేదా టార్క్ బదిలీతో గందరగోళం చెందదు. అంటే భారీ యంత్రాలు సార్వత్రిక ఉమ్మడి కలపడం వ్యవస్థలలో మృదువైన ఆపరేషన్. మరియు ఇది పవర్ ట్రాన్స్మిషన్లో సమర్థవంతమైనది: 98.6% సామర్థ్యంతో, ఈ SWC హెవీ-డ్యూటీ యూనివర్సల్ జాయింట్ కప్లింగ్ శక్తి నష్టాన్ని తక్కువగా ఉంచుతుంది, ఇది అధిక-శక్తి పారిశ్రామిక సెటప్లలో పెద్ద పవర్ ట్రాన్స్మిషన్ కోసం సమర్థవంతమైన యూనివర్సల్ జాయింట్ కప్లింగ్గా చేస్తుంది.
అదనంగా, ఇది శక్తిని ఆదా చేయడానికి మరియు నిశ్శబ్దంగా అమలు చేయడానికి రూపొందించబడింది-మీకు శక్తిని ఆదా చేసే యూనివర్సల్ జాయింట్ కప్లింగ్ సొల్యూషన్స్ అవసరమైతే, ఇది ఒక అగ్ర ఎంపిక, కార్యాచరణ ఖర్చులను తగ్గించడం. మరియు ఇది 30-40 dB(A) మధ్య శబ్దాన్ని ఉంచుతుంది, కాబట్టి ఈ తక్కువ-శబ్దం యూనివర్సల్ జాయింట్ కప్లింగ్ శబ్దం ఆందోళన కలిగించే పారిశ్రామిక ప్రదేశాలలో సరిగ్గా సరిపోతుంది.
రోలింగ్ మిల్లు కార్యకలాపాల కోసం మీకు నమ్మకమైన హెవీ డ్యూటీ యూనివర్సల్ జాయింట్ కప్లింగ్ లేదా లిఫ్టింగ్ మరియు మెటీరియల్ హ్యాండ్లింగ్ ఎక్విప్మెంట్లో మన్నికైన SWC యూనివర్సల్ జాయింట్ షాఫ్ట్ కప్లింగ్ వంటి నిర్దిష్ట దృశ్యాలలో ఈ కప్లింగ్ నిజంగా ప్రకాశిస్తుంది. ఈ సందర్భాలలో, తీవ్రమైన లోడ్లు మరియు పరిమిత స్థలంతో కూడా, ఇది కార్యకలాపాలను స్థిరంగా ఉంచుతుంది, ఎక్కిళ్ళు లేకుండా చేస్తుంది.
ఇండస్ట్రియల్ యూనివర్సల్ జాయింట్ కప్లింగ్ అప్లికేషన్ల విషయానికి వస్తే, మా SWC-WD వేరియంట్ స్మార్ట్ ఇంజనీరింగ్తో ప్రత్యేకంగా నిలుస్తుంది, అది మెరుగ్గా పని చేస్తుంది మరియు ఎక్కువసేపు ఉంటుంది. దాని కీలక నిర్మాణం గురించి మాట్లాడుదాం: ఇది సమీకృత ఫోర్క్ హెడ్ డిజైన్తో సహేతుకమైన, సురక్షితమైన సెటప్ను కలిగి ఉంది-ఇది బోల్ట్లు వదులుగా లేదా విరగడం, మొత్తం బలాన్ని 30%-50% పెంచడం వంటి సమస్యలను తొలగిస్తుంది. అంటే ఇది సురక్షితంగా మరియు విశ్వసనీయంగా నడుస్తుంది, పాత-శైలి మోడల్ల కంటే ఎక్కువసేపు ఉంటుంది మరియు భారీ యంత్రాలు యూనివర్సల్ జాయింట్ కప్లింగ్ సిస్టమ్ల వంటి అధిక-ఒత్తిడి ఉన్న ప్రదేశాలలో సాధారణ విచ్ఛిన్నాలను నివారిస్తుంది.
అదనంగా, ఇది మరింత భారాన్ని నిర్వహించగలదు-మేము అధిక బరువులకు మద్దతు ఇచ్చేలా దీన్ని నిర్మించాము, కాబట్టి మైనింగ్ లేదా నిర్మాణ సామగ్రి వంటి కఠినమైన లోడ్ హ్యాండ్లింగ్ అవసరమయ్యే ప్రదేశాలకు ఈ SWC హెవీ-డ్యూటీ యూనివర్సల్ జాయింట్ కప్లింగ్ సరైనది. ఇది పవర్ను సూపర్ ఎఫెక్టివ్గా కదిలిస్తుంది, 98.6% ట్రాన్స్మిషన్ సామర్థ్యాన్ని తాకింది. పెద్ద పవర్ ట్రాన్స్మిషన్ కోసం సమర్థవంతమైన యూనివర్సల్ జాయింట్ కప్లింగ్గా, ఇది శక్తి వినియోగాన్ని మరియు దానితో వచ్చే ఖర్చులను తగ్గిస్తుంది, ఇది అధిక-పవర్ ఇండస్ట్రియల్ ట్రాన్స్మిషన్ సెటప్లలో శక్తిని ఆదా చేసే యూనివర్సల్ జాయింట్ కప్లింగ్ సొల్యూషన్స్కు అగ్ర ఎంపికగా చేస్తుంది.
మరియు ఇది ఎటువంటి శబ్దంతో సాఫీగా నడుస్తుంది-ప్రసారం స్థిరంగా ఉంటుంది మరియు శబ్దం సాధారణంగా 30-40 dB(A) మధ్య ఉంటుంది. ఈ తక్కువ-శబ్దం యూనివర్సల్ జాయింట్ కప్లింగ్ కార్యకలాపాలను నిశ్శబ్దంగా ఉంచుతుంది, ఇది శబ్దం సమస్య ఉన్న పారిశ్రామిక ప్రదేశాలకు సరైనది, అయితే విశ్వసనీయతను అధిక స్థాయిలో ఉంచుతుంది.
Raydafon అనేది ట్రాన్స్మిషన్ భాగాలలో మరొక పేరు మాత్రమే కాదు-మేము అధిక-పనితీరు గల ట్రాన్స్మిషన్ కాంపోనెంట్లు మరియు ఇండస్ట్రియల్ మెషినరీ సొల్యూషన్ల యొక్క ప్రముఖ తయారీదారు మరియు సరఫరాదారు, మరియు మేము SWC కార్డాన్ షాఫ్ట్ యూనివర్సల్ జాయింట్ కప్లింగ్ వంటి ఉత్పత్తులపై ఎక్కువ దృష్టి పెట్టాము. గ్లోబల్ పరిశ్రమలు అభివృద్ధి చెందుతున్నప్పుడు వాటికి ఏమి అవసరమో తెలుసుకోవడానికి మేము ప్రారంభించాము మరియు కాలక్రమేణా, మేము పూర్తి లైనప్ను రూపొందించాము: గేర్బాక్స్లు, డ్రైవ్ షాఫ్ట్లు, హైడ్రాలిక్ సిలిండర్లు, పుల్లీలు, ఖచ్చితత్వ మెషిన్ టూల్స్-ఇవన్నీ వ్యవసాయ మరియు భారీ-డ్యూటీ రంగాలు ఎంత బాగా నడుస్తాయో పెంచడానికి తయారు చేయబడ్డాయి. మేము ఇన్నోవేషన్లో పెద్దగా ఉన్నాము, అందుకే రోలింగ్ మిల్లు ఆపరేషన్ల కోసం మేము నమ్మకమైన హెవీ డ్యూటీ యూనివర్సల్ జాయింట్ కప్లింగ్ను అందజేయగలము, ఇవి చాలా క్లిష్టమైన సిస్టమ్లకు కూడా ఎటువంటి ఇబ్బంది లేకుండా సరిపోతాయి.
మా సౌకర్యాలు కూడా అగ్రశ్రేణిలో ఉన్నాయి-మాకు CNC వర్క్షాప్లు, గ్రైండింగ్ మరియు హీట్ ట్రీట్మెంట్ గేర్ మరియు అధునాతన 3D కొలత వ్యవస్థలు ఉన్నాయి. మేము ISO9001/TS16949 వంటి ఖచ్చితమైన నాణ్యతా ప్రమాణాలకు కట్టుబడి ఉంటాము మరియు ఆ సెటప్ అధిక-టార్క్ యూనివర్సల్ జాయింట్ కప్లింగ్ సొల్యూషన్లను తయారు చేయడానికి అనుమతిస్తుంది, ఇది టార్క్ను గొప్పగా కదిలిస్తుంది మరియు ప్రో లాగా తప్పుగా అమరికను నిర్వహిస్తుంది. లిఫ్టింగ్ మరియు మెటీరియల్ హ్యాండ్లింగ్ పరికరాలలో మా మన్నికైన SWC యూనివర్సల్ జాయింట్ షాఫ్ట్ కప్లింగ్ను తీసుకోండి, ఉదాహరణకు-ఇది కఠినమైన లోడ్-బేరింగ్ పవర్ అవసరమయ్యే ప్రదేశాల కోసం నిర్మించబడింది. మరియు మా పారిశ్రామిక సార్వత్రిక ఉమ్మడి కలపడం లైన్? ఇది ఖచ్చితత్వం మరియు దృఢత్వం చాలా ముఖ్యమైన అన్ని రకాల ఉపయోగాలను కవర్ చేస్తుంది.
మనం తయారుచేసే వాటిలో ఎనభై శాతం ఎగుమతి చేయబడుతుంది-US, జర్మనీ, జపాన్, ఇటలీ, మలేషియా, ఆస్ట్రేలియా మరియు మధ్యప్రాచ్యం వంటి ప్రదేశాలకు పంపబడుతుంది. మేము చైనా, దక్షిణ కొరియా, UK, సింగపూర్, US మరియు స్పెయిన్లలో కూడా బలమైన నెట్వర్క్లను పొందాము, కాబట్టి మేము ప్రపంచవ్యాప్తంగా పటిష్టంగా ఉన్నాము. ఆ రీచ్ మాకు అనుకూలీకరించిన SWC హెవీ-డ్యూటీ యూనివర్సల్ జాయింట్ కప్లింగ్ ఆప్షన్లను అందించడానికి అనుమతిస్తుంది-క్లయింట్లకు అవసరమైన వాటికి అనుగుణంగా ఉంటుంది, భారీ మెషినరీ యూనివర్సల్ జాయింట్ కప్లింగ్ సిస్టమ్లలో విపరీతమైన లోడ్ల కింద స్థిరంగా ఉండటం చర్చలకు వీలుకాదు.
కస్టమర్లకు మొదటి స్థానం కల్పించే స్థిరత్వం మరియు పరిష్కారాలను రూపొందించడం గురించి మేము శ్రద్ధ వహిస్తాము. అందుకే మేము శక్తి-పొదుపు యూనివర్సల్ జాయింట్ కప్లింగ్ సొల్యూషన్లను అభివృద్ధి చేస్తాము, ఇవి 98.6% వరకు ప్రసార సామర్థ్యాన్ని తాకడం-అధిక-పవర్ సెటప్లలో శక్తి వినియోగాన్ని తగ్గించడం. పెద్ద పవర్ ట్రాన్స్మిషన్ కోసం మీకు సమర్థవంతమైన యూనివర్సల్ జాయింట్ కప్లింగ్ లేదా శబ్దం సమస్య ఉన్న పారిశ్రామిక ప్రదేశాల కోసం తక్కువ-నాయిస్ యూనివర్సల్ జాయింట్ కప్లింగ్ కావాలా, మా ఉత్పత్తులు పూర్తి అమ్మకాల తర్వాత సేవతో వస్తాయి. ఆ విధంగా మేము ట్రాన్స్మిషన్ పరిశ్రమలో విశ్వసనీయ భాగస్వామిగా మారాము-మేము కేవలం భాగాలను విక్రయించము, మేము వాటిని బ్యాకప్ చేస్తాము.
చిరునామా
Luotuo ఇండస్ట్రియల్ ఏరియా, Zhenhai జిల్లా, Ningbo సిటీ, చైనా
Tel
ఇ-మెయిల్


+86-574-87168065


Luotuo ఇండస్ట్రియల్ ఏరియా, Zhenhai జిల్లా, Ningbo సిటీ, చైనా
కాపీరైట్ © Raydafon టెక్నాలజీ గ్రూప్ కో., లిమిటెడ్ సర్వ హక్కులూ ప్రత్యేకించబడినవి.
Links | Sitemap | RSS | XML | గోప్యతా విధానం |
