QR కోడ్
మా గురించి
ఉత్పత్తులు
మమ్మల్ని సంప్రదించండి


ఫ్యాక్స్
+86-574-87168065

ఇ-మెయిల్

చిరునామా
Luotuo ఇండస్ట్రియల్ ఏరియా, Zhenhai జిల్లా, Ningbo సిటీ, చైనా
మీ భారీ యంత్రాలు-రోజంతా లోడ్ చేసే నిర్మాణ గేర్ లేదా మొక్కలు నాటే సీజన్లో నాన్స్టాప్గా పనిచేసే వ్యవసాయ హార్వెస్టర్లు అనుకుంటే- గట్టి ప్రదేశాలకు సరిపోయే కానీ పెద్ద టార్క్ను అందించే కప్లింగ్ అవసరమైతే, Raydafon యొక్క SWP-G సూపర్ షార్ట్ ఫ్లెక్స్ టైప్ యూనివర్సల్ జాయింట్ కప్లింగ్ మీరు వెతుకుతున్నది. మీకు అవసరమైన శక్తిని తగ్గించకుండా, ప్రతి అంగుళం లెక్కించబడే కాంపాక్ట్ సెటప్ల కోసం ఇది ప్రత్యేకంగా నిర్మించబడింది.
ముందుగా, దాని పరిమాణం గురించి మాట్లాడుదాం: “సూపర్ షార్ట్” డిజైన్ కేవలం లేబుల్ మాత్రమే కాదు-ఇతర కప్లింగ్లు చేరుకోలేని బిగుతుగా ఉండేలా ఇది తయారు చేయబడింది, ఇది మీ మెషినరీ భాగాలను దగ్గరగా ప్యాక్ చేసినప్పుడు లైఫ్సేవర్గా ఉంటుంది. దీని గైరేషన్ వ్యాసాలు 225 మిమీ నుండి 350 మిమీ వరకు ఉంటాయి, కాబట్టి ఇది మధ్య-పరిమాణ భారీ పరికరాల సెటప్లకు సరిగ్గా సరిపోతుంది. చిన్న ఫ్లెక్స్ యూనివర్సల్ జాయింట్ కప్లింగ్గా, ఇది 5 డిగ్రీల వరకు కోణీయ మిస్అలైన్మెంట్ను నిర్వహిస్తుంది-మెషినరీలు గట్టిగా నడుస్తున్నప్పుడు జరిగే చిన్న షిఫ్ట్లను లెక్కించడానికి సరిపోతుంది-224 kN·m వరకు టార్క్ను మోస్తుంది. మరియు ఇది అంతర్నిర్మిత ఫ్లెక్సిబుల్ ఎలిమెంట్ను కలిగి ఉంది, ఇది షాక్లు మరియు వైబ్రేషన్లను గ్రహిస్తుంది కాబట్టి మీ ఇతర భాగాలు ధరించే భారాన్ని తీసుకోవు.
మేము పదార్థాలపై మూలలను కత్తిరించలేదు. ఇది మన్నిక మరియు దాని కదలికకు సున్నితత్వాన్ని జోడించే కాంస్య భాగాల కోసం అధిక-బలం కలిగిన ఉక్కుతో తయారు చేయబడింది-కాబట్టి ఇది నిర్మాణ స్థలాల యొక్క కఠినమైన మరియు టంబుల్ లేదా వ్యవసాయ క్షేత్రాల దుమ్ము మరియు శిధిలాల వరకు ఉంటుంది. అందుకే భారీ యంత్రాల కోసం సార్వత్రిక ఉమ్మడి కప్లింగ్స్ కోసం ఇది అగ్ర ఎంపిక; ఇది ఒక్కసారి మాత్రమే పని చేయదు - పరిస్థితులు గందరగోళంగా ఉన్నప్పుడు కూడా ఇది కొనసాగుతుంది. రైతుల కోసం, ఇది వ్యవసాయ పరికరాలకు నమ్మదగిన అనువైన కలపడం, పంట కాలం యొక్క ఎక్కువ గంటలు విచ్ఛిన్నం కాకుండా నిర్వహించడానికి తగినంత కఠినమైనది.
Raydafon వద్ద, చైనాలో మా తయారీ ఖచ్చితంగా ISO 9001 ప్రమాణాలకు కట్టుబడి ఉంటుంది-ప్రతి SWP-G కప్లింగ్ నాణ్యత కోసం తనిఖీ చేయబడుతుంది, మేము ఉపయోగించే ఉక్కు నుండి సౌకర్యవంతమైన మూలకం యొక్క ఫిట్ వరకు. రెండు ఉద్యోగాలు ఒకేలా ఉండవని మాకు తెలుసు, కాబట్టి మేము తగిన పరిష్కారాలను కూడా అందిస్తాము—మీకు పరిమాణానికి కొంచెం సర్దుబాటు లేదా మీ పరికరాల కోసం నిర్దిష్ట సర్దుబాటు అవసరం. మరియు అన్నింటికంటే ఉత్తమమైనది, ఇది పోటీ ధరతో ఉంటుంది-మీ స్థలం మరియు మీ బడ్జెట్కు సరిపోయే మన్నికైన యూనివర్సల్ జాయింట్ కప్లింగ్ను మీరు పొందుతారు. చాలా పెద్దది, చాలా బలహీనమైనది లేదా చాలా ఖరీదైన కప్లింగ్లతో విసిగిపోయిన ఎవరికైనా, ఈ SWP-G మోడల్ మీరు వెతుకుతున్న ఎటువంటి ఫస్ లేని, అధిక-పనితీరు గల పరిష్కారం.
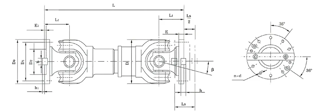
| మోడల్ | SWP225G | బ్యాచ్ 250గ్రా | SWP285G | SWP315G | SWP350G | |
| D | 225 | 250 | 285 | 315 | 350 | |
| Tn kn.m | 56 | 80 | 112 | 160 | 224 | |
| Tf KN.m | 28 | 40 | 56 | 80 | 112 | |
| β≤ | 5° | 5° | 5° | 5° | 5° | |
| పరిమాణం(మిమీ) | S | 40 | 40 | 40 | 40 | 50 |
| L | 470 | 600 | 665 | 740 | 850 | |
| D | 275 | 305 | 348 | 360 | 405 | |
| D1 | 248 | 275 | 314 | 328 | 370 | |
| D2(H7) | 135 | 150 | 170 | 185 | 210 | |
| E | 15 | 15 | 18 | 18 | 22 | |
| E1 | 5 | 5 | 7 | 7 | 8 | |
| b-h | 32-18 | 40-18 | 40-24 | 40-24 | 50-32 | |
| h1 | 9 | 9 | 12 | 12 | 16 | |
| L1 | 80 | 100 | 120 | 135 | 150 | |
| n-d | 10-15 | 10-17 | 10-19 | 10-19 | 10-21 | |
| M(కిలో) | 78 | 142 | 190 | 260 | 355 | |
* గమనిక: మార్కింగ్ ఉదాహరణలు: గైరేషన్ వ్యాసం D=315mm, ఇన్స్టాల్మెంట్ పొడవు L=620mm, G రకం-ఫ్లెక్స్ రకం లేకుండా చిన్నది SWP315GX620 కలపడం
Raydafon యొక్క SWP-G సూపర్ షార్ట్ ఫ్లెక్స్ టైప్ యూనివర్సల్ జాయింట్ కప్లింగ్ మీకు ఫ్లెక్సిబిలిటీ మరియు పవర్ రెండూ అవసరమయ్యే గట్టి ప్రదేశాల కోసం నిర్మించబడింది. షాఫ్ట్లు సరిగ్గా సమలేఖనం కానప్పటికీ, స్థూలమైన భాగాలకు స్థలం లేని ప్రదేశాలలో టార్క్ను సమర్థవంతంగా తరలించడానికి ఇది తయారు చేయబడింది. ఇది ఏదైనా కలపడం మాత్రమే కాదు-ఇది అధిక-టార్క్ యూనివర్సల్ జాయింట్ కప్లింగ్, ఇది మీకు తక్కువ పొడవు అవసరమైనప్పుడు ప్రకాశిస్తుంది, అయితే భారీ లోడ్లలో కూడా పనితీరును తగ్గించడానికి నిరాకరిస్తుంది.
ఉదాహరణకు, నిర్మాణ సామగ్రి మరియు భారీ యంత్రాలను తీసుకోండి. గట్టి మట్టిని తవ్వే ఎక్స్కవేటర్లు, టన్నుల కొద్దీ పదార్థాన్ని తరలించే లోడర్లు-వీటన్నింటికీ బిగుతుగా ఉండే ఖాళీలు ఉన్నాయి, ఇక్కడ భాగాలు దగ్గరగా రుద్దుతాయి. SWP-G పారిశ్రామిక యంత్రాల కోసం విశ్వసనీయమైన యూనివర్సల్ జాయింట్ కప్లింగ్గా సరిగ్గా సరిపోతుంది, కంపనాలను నానబెట్టడం మరియు ఈ యంత్రాలు వ్యవహరించే స్థిరమైన కదలికను నిర్వహించడం. దీని సూపర్ షార్ట్ డిజైన్ ఎటువంటి హడావిడి లేకుండా ఇరుకైన అసెంబ్లీలలోకి జారిపోతుంది, మన్నికను త్యాగం చేయకుండా లేదా ఎంత బాగా పని చేస్తుందో అది అవసరమైన చోటికి శక్తిని అందేలా చేస్తుంది.
రైతులు కూడా దీన్ని మెచ్చుకుంటారు. అసమాన పొలాలను దున్నుతున్న ట్రాక్టర్లు, కఠినమైన భూభాగంలో పని చేసే హార్వెస్టర్లు-ఎగుడుదిగుడుగా ఉండే రైడ్లు మరియు మారుతున్న వేగానికి అనుగుణంగా వాటికి కప్లింగ్లు అవసరం. ఈ SWP-G వ్యవసాయ గేర్లోని డ్రైవ్ షాఫ్ట్లకు దృఢమైన యూనివర్సల్ జాయింట్ కప్లింగ్గా పనిచేస్తుంది, ఆఫ్-రోడ్ వర్క్తో వచ్చే కోణీయ మిస్అలైన్మెంట్లకు సర్దుబాటు చేస్తుంది. అంటే మెషినరీపై తక్కువ ధరిస్తారు, కాబట్టి క్షేత్ర పరిస్థితులు కఠినమైనవి అయినప్పుడు కూడా ఇది ఎక్కువసేపు ఉంటుంది.
మెరైన్ సెటప్లు కూడా దీన్ని ఇష్టపడతాయి, ముఖ్యంగా పడవలపై గట్టి ఇంజిన్ కంపార్ట్మెంట్లలో. ఉప్పునీరు మరియు తేమ దాని తుప్పు-నిరోధక నిర్మాణానికి వ్యతిరేకంగా నిలబడవు, ఇది సముద్ర సార్వత్రిక ఉమ్మడి కలయికగా అగ్ర ఎంపికగా మారింది. ఇది అలల నుండి వచ్చే డైనమిక్ లోడ్లను మరియు ప్రొపల్షన్ సిస్టమ్ల పుష్ను నిర్వహిస్తుంది, మీరు సముద్రంలో ఉన్నా లేదా రద్దీగా ఉండే నౌకాశ్రయంలో ఉన్నా పనులు సజావుగా సాగేలా చేస్తుంది.
మరియు పునరుత్పాదక శక్తిని మనం మరచిపోకూడదు-విండ్ టర్బైన్లు ఎత్తుగా తిరుగుతాయి, సౌర ట్రాకర్లు సూర్యుడితో కదులుతాయి. ఈ వ్యవస్థలకు పరిమిత స్థలాలలో ఖచ్చితమైన నియంత్రణ అవసరం మరియు SWP-G పునరుత్పాదక శక్తి పరికరాల కోసం బహుముఖ సార్వత్రిక ఉమ్మడి కలయికగా అడుగులు వేస్తుంది. ఇది ఎక్కువ బ్యాక్లాష్ లేకుండా అధిక టార్క్ను నిర్వహిస్తుంది, కాబట్టి మీరు నిర్వహణ కోసం తక్కువ అవసరంతో నమ్మకమైన పనితీరును పొందుతారు-స్థిరమైన శక్తి వ్యవస్థలను బలంగా ఉంచడానికి ఇది సరైనది.
Raydafon వద్ద, మేము SWP-Gని మాత్రమే విక్రయించము-మేము దానిని మీ అవసరాలకు అనుగుణంగా తయారు చేస్తాము. మీరు నిర్మాణ సామగ్రి, వ్యవసాయ యంత్రాలు, పడవలు లేదా పునరుత్పాదక ఇంధన సెటప్లపై పని చేస్తున్నా, మీరు నిర్మిస్తున్న దానికి సరిగ్గా సరిపోయేలా మేము దానిని సర్దుబాటు చేయవచ్చు. ఈ కప్లింగ్ మీ కార్యకలాపాలను ఎలా సున్నితంగా చేయగలదో మీరు చూడాలనుకుంటే, మా బృందాన్ని సంప్రదించండి. ఇరుకైన ఖాళీలు మరియు కఠినమైన ఉద్యోగాల కోసం ఇది ఎందుకు స్మార్ట్ ఎంపిక అని మేము మీకు చూపుతాము.
Raydafon యొక్క SWP-G సూపర్ షార్ట్ ఫ్లెక్స్ టైప్ యూనివర్సల్ జాయింట్ కప్లింగ్ దాని కాంపాక్ట్ బిల్డ్కు మొదటి స్థానంలో నిలుస్తుంది-ఇది స్థలం ప్రీమియమ్లో ఉన్న గట్టి మెకానికల్ సెటప్లలోకి దూరడానికి రూపొందించబడింది, అయితే ఇది ఫ్లెక్సిబిలిటీ లేదా టార్క్ను ఎప్పటికీ తగ్గించదు. మీరు హై-టార్క్ జాబ్లతో వ్యవహరిస్తుంటే, ఇది టాప్-టైర్ హై-టార్క్ యూనివర్సల్ జాయింట్ కప్లింగ్: ఇది అధునాతన ఫ్లెక్స్ ఎలిమెంట్లను కలిగి ఉంది, ఇది పనితీరును గందరగోళానికి గురిచేయకుండా చాలా పెద్ద కోణీయ మిస్లైన్మెంట్లను నిర్వహించడానికి వీలు కల్పిస్తుంది, ఇది యంత్రాలు నడుస్తున్నప్పుడు షాఫ్ట్లు మారే డైనమిక్ పరిసరాలకు గేమ్-ఛేంజర్.
మన్నిక ఇక్కడ మరొక పెద్ద విజయం. మేము కఠినమైన, అధిక-బలం కలిగిన పదార్థాలను ఉపయోగిస్తాము మరియు ప్రతి భాగాన్ని ఖచ్చితత్వంతో నిర్మిస్తాము, కాబట్టి ఇది నాన్స్టాప్గా నడుస్తున్నప్పుడు కూడా దుస్తులు మరియు అలసటను నిరోధిస్తుంది. ఇది పారిశ్రామిక యంత్రాల కోసం ఘనమైన సార్వత్రిక ఉమ్మడి కలయికగా చేస్తుంది-రోజంతా నడిచే పంపులు లేదా స్థిరమైన లోడ్లో కంప్రెసర్లు అని ఆలోచించండి. ఇది షాక్లు మరియు వైబ్రేషన్లను గ్రహిస్తుంది, పవర్ ట్రాన్స్మిషన్ను స్థిరంగా ఉంచుతుంది కాబట్టి మీ పరికరాలు అనవసరమైన ఒత్తిడిని తీసుకోవు.
దీని సూపర్ షార్ట్ లెంగ్త్ డ్రైవ్ సిస్టమ్లకు కూడా లైఫ్సేవర్. మీరు ఆటోమోటివ్ లేదా రవాణా సెటప్లపై పని చేస్తున్నప్పుడు, ప్రతి అంగుళం ముఖ్యమైనది-మరియు ఈ కప్లింగ్ డ్రైవ్ షాఫ్ట్ల కోసం సమర్థవంతమైన యూనివర్సల్ జాయింట్ కప్లింగ్గా సరిగ్గా సరిపోతుంది. ఇది బోల్ట్ లేదా కీడ్ కనెక్షన్లను ఉపయోగిస్తుంది, కాబట్టి దాన్ని అటాచ్ చేయడం వేగంగా ఉంటుంది మరియు ఇది తర్వాత నిర్వహణ సమయాన్ని తగ్గిస్తుంది. అదనంగా, ఇది అక్షసంబంధ కదలికలను చక్కగా నిర్వహిస్తుంది, కాబట్టి మీరు ఉపయోగించే సమయంలో భాగాలు మారినప్పుడు జారిపోవడం లేదా తప్పుగా సరిపోవడం గురించి మీరు చింతించాల్సిన అవసరం లేదు.
తుప్పు నిరోధకత? ఇది కవర్ చేయబడింది. మేము సముద్ర సెటప్లలోని ఉప్పునీరు వంటి కఠినమైన వస్తువులకు నిలబడే రక్షణ పూతలను జోడిస్తాము. అందుకే ఇది ప్రొపల్షన్ సిస్టమ్ల కోసం సముద్ర సార్వత్రిక జాయింట్ కప్లింగ్గా గొప్పగా పనిచేస్తుంది: ఇది సముద్రంలో ఉప్పు స్ప్రే మరియు వేరియబుల్ లోడ్లను తుప్పు పట్టకుండా లేదా విరిగిపోకుండా నిర్వహించగలదు, పడవలు సాఫీగా నడుస్తుంది.
మరియు మీరు పర్యావరణ అనుకూలమైన సెటప్లపై దృష్టి కేంద్రీకరించినట్లయితే, ఈ కప్లింగ్ అక్కడ కూడా అందిస్తుంది. ఇది ఎటువంటి ఎదురుదెబ్బతో ఖచ్చితంగా శక్తిని బదిలీ చేస్తుంది, కాబట్టి ఇది శక్తిని వృథా చేయదు. ఇది పునరుత్పాదక శక్తి పరికరాల కోసం విశ్వసనీయ సార్వత్రిక జాయింట్ కప్లింగ్గా చేస్తుంది-గాలిలో తిరిగే విండ్ టర్బైన్లకు లేదా సూర్యుడితో కదిలే సోలార్ ట్రాకర్లకు ఇది సరైనది. ఇది ఆ సుస్థిర వ్యవస్థలను సమర్ధవంతంగా అమలు చేసేలా చేస్తుంది, ఇది గ్రీన్ ఎనర్జీ ప్రాజెక్ట్ల కోసం మీకు అవసరమైనది.
Raydafon వద్ద, మేము ప్రతి SWP-G ఖచ్చితమైన నాణ్యతా ప్రమాణాలకు అనుగుణంగా ఉండేలా చూసుకుంటాము మరియు మీ నిర్దిష్ట అవసరాలకు సరిపోయేలా మేము దానిని సర్దుబాటు చేస్తాము-మీకు వేరే పూత, కొద్దిగా సర్దుబాటు చేయబడిన పొడవు లేదా అనుకూల కనెక్షన్ అవసరం అయినా. మీరు దాని స్పెసిఫికేషన్ల గురించి లేదా మీ సెటప్లో దీన్ని ఎలా ఇంటిగ్రేట్ చేయాలి అనే దాని గురించి మరింత తెలుసుకోవాలనుకుంటే, మా నిపుణులతో మాట్లాడండి. మీ మెషినరీకి సరిగ్గా ఏమి అవసరమో దాన్ని పొందడానికి మేము మీకు సహాయం చేస్తాము.
⭐⭐⭐⭐⭐ లి జియాన్, సీనియర్ ఇంజనీర్, షాంఘై ఇండస్ట్రియల్ ఎక్విప్మెంట్ కో., లిమిటెడ్.
మేము ఇప్పుడు కొన్ని నెలలుగా మా ప్రొడక్షన్ లైన్లో Raydafon యొక్క SWP-G సూపర్ షార్ట్ ఫ్లెక్స్ టైప్ యూనివర్సల్ జాయింట్ కప్లింగ్ను కలిగి ఉన్నాము మరియు ఇది మేము ఆశించిన దాని కంటే నిజాయితీగా మెరుగైన పనితీరును కనబరిచింది. మా మెషీన్లు ఎల్లప్పుడూ స్థలంపై కఠినంగా ఉంటాయి-ప్రతి అంగుళం ముఖ్యమైనది-మరియు ఈ కప్లింగ్ యొక్క కాంపాక్ట్ డిజైన్ వారి కోసమే తయారు చేయబడినట్లుగా సరిపోతుంది, ఇకపై గదిని స్క్వీజ్ చేయడం లేదు. కానీ ఇది పనితీరును తగ్గించదు: కొంచెం తప్పుగా అమర్చబడినప్పటికీ (ఇది అధిక వినియోగంతో అనివార్యం), దాని సౌలభ్యం విద్యుత్ ప్రసారాన్ని సాఫీగా ఉంచుతుంది, కుదుపులు లేదా ఎక్కిళ్ళు లేకుండా చేస్తుంది.
ఇది చాలా కష్టంగా ఉంది-చెమట పగలకుండా అధిక టార్క్ పనులను నిర్వహిస్తుంది మరియు నెలల తరబడి పరిగెత్తిన తర్వాత, మేము ఎలాంటి దుస్తులు ధరించలేదు. సంస్థాపన త్వరిత పని కూడా; మా బృందం దీన్ని ఏ సమయంలోనైనా సెటప్ చేసింది మరియు అప్పటి నుండి ఇది నమ్మదగినది. ఇప్పటికీ హెవీ డ్యూటీ పనితీరు అవసరమయ్యే స్పేస్-నియంత్రిత గేర్ను కలిగి ఉన్న ఎవరికైనా, ఈ కప్లింగ్ నో-బ్రేనర్.
⭐⭐⭐⭐⭐ ఎమిలీ వాకర్, టెక్నికల్ డైరెక్టర్, న్యూయార్క్ మాన్యుఫ్యాక్చరింగ్ సొల్యూషన్స్, USA
మేము మా న్యూయార్క్ సదుపాయంలో Raydafon యొక్క SWP-G కోసం మా పాత, స్థూలమైన కప్లింగ్లను మార్చుకున్నాము మరియు మొదటి రోజు నుండి తేడా స్పష్టంగా ఉంది. ఆ పాత యూనిట్లు చాలా ఎక్కువ స్థలాన్ని ఆక్రమించాయి మరియు ఎల్లప్పుడూ క్లిష్టంగా అనిపించాయి-కానీ ఇది బిగుతుగా ఉండే ప్రదేశాలకు సరిగ్గా సరిపోతుంది మరియు శక్తి బదిలీ? అధిక లోడ్లను నిర్వహించడానికి మేము మెషీన్లను నెట్టేటప్పుడు కూడా సున్నితంగా మరియు స్థిరంగా ఉంటుంది.
అతిపెద్ద విజయం, అయితే, పనికిరాని సమయం. మేము పాత కప్లింగ్లను సర్దుబాటు చేయడానికి లేదా సరిచేయడానికి ప్రతి కొన్ని వారాలకు ఉత్పత్తిని నిలిపివేస్తాము, అయితే దీనితో? చాలా తక్కువ. నిర్వహణ ఖర్చులు కూడా తగ్గాయి-ఎక్కువ తరచుగా పార్ట్ రీప్లేస్మెంట్లు లేదా అత్యవసర మరమ్మతులు లేవు. మరియు ఇన్స్టాలేషన్ గురించి మాకు ప్రశ్న వచ్చినప్పుడు, స్పష్టమైన సమాధానాలతో Raydafon యొక్క కస్టమర్ సేవ త్వరగా మాకు తిరిగి వచ్చింది. మేము ఇప్పటికే మా తదుపరి అప్గ్రేడ్ కోసం వారి ఉత్పత్తులను ఉపయోగించాలని ప్లాన్ చేస్తున్నాము; వారు మా నమ్మకాన్ని సంపాదించారు.
⭐⭐⭐⭐⭐ ఆండ్రియా రోస్సీ, ఆపరేషన్స్ మేనేజర్, మిలన్ ఇంజనీరింగ్, ఇటలీ
మా మిలన్ మెషినరీకి Raydafon యొక్క SWP-G కప్లింగ్ని జోడించడం అనేది మా అధిక-ఖచ్చితమైన పని కోసం మేము చేసిన ఉత్తమ కాల్లలో ఒకటి. మా పని విధానంలో, స్థలం మరియు సమలేఖనం చేయడం-లేదా-బ్రేక్-ఒక భాగం చాలా పెద్దది లేదా చిన్న తప్పులను నిర్వహించలేకపోతే, అది మొత్తం ప్రక్రియను తొలగిస్తుంది. ఈ కప్లింగ్ రెండు పెట్టెలను తనిఖీ చేస్తుంది: దీని చిన్న పరిమాణం మన గట్టి సెటప్లకు సరిపోతుంది మరియు సౌకర్యవంతమైన డిజైన్ మనకు అవసరమైన చిన్న సర్దుబాట్లు లేకుండా కార్యకలాపాలను సున్నితంగా ఉంచుతుంది.
మేము దీన్ని ఇన్స్టాల్ చేసినప్పటి నుండి, మాకు చాలా తక్కువ నిర్వహణ తలనొప్పులు ఉన్నాయి-అలైన్మెంట్ సమస్యలను పరిష్కరించడానికి లేదా అరిగిపోయిన భాగాలను భర్తీ చేయడానికి ఉత్పత్తిని ఆపడం లేదు. మరియు మేము దానిని అధిక వేగంతో నడుపుతున్నప్పుడు (దీనిని మనం రోజూ చేస్తాము), అది సంపూర్ణంగా ఉంటుంది. మన్నిక వారీగా, ఇది మేము ఊహించిన దానికంటే మించిపోయింది-నెలలపాటు అధికంగా ఉపయోగించిన తర్వాత, ఇది ఇప్పటికీ కొత్తగా కనిపిస్తుంది మరియు పని చేస్తుంది. ఖచ్చితమైన పని కోసం మీకు అధిక-నాణ్యత కలపడం అవసరమైతే, Raydafon మార్గం.
⭐⭐⭐⭐⭐ జీన్-క్లాడ్ లెఫెవ్రే, మెయింటెనెన్స్ సూపర్వైజర్, లియోన్ మెకానికల్ వర్క్స్, ఫ్రాన్స్
మేము ఇప్పుడు ఆరు నెలలకు పైగా మా మెషీన్లలో Raydafon యొక్క SWP-G కప్లింగ్ని అమలు చేస్తున్నాము మరియు ఇది మా బృందానికి గేమ్-ఛేంజర్గా మారింది. ముందుగా, కాంపాక్ట్ డిజైన్-మా పరికరాలు చాలా గట్టి ఖాళీలను కలిగి ఉంటాయి మరియు ఇతర భాగాలను పునర్వ్యవస్థీకరించాల్సిన అవసరం లేకుండానే ఈ కప్లింగ్ స్లైడ్ అవుతుంది. అప్పుడు వశ్యత ఉంది: ఇది మా యంత్రాలపై ఒత్తిడిని తగ్గిస్తుంది, అంటే ఇతర భాగాలపై తక్కువ దుస్తులు మరియు తక్కువ విచ్ఛిన్నాలు.
మేము భారీ లోడ్లను నడుపుతున్నప్పుడు కూడా, దాని పనితీరు స్థిరంగా ఉంటుంది- డిప్లు లేవు, విచిత్రమైన శబ్దాలు లేవు, కేవలం నమ్మదగిన ఆపరేషన్. సంస్థాపన చాలా సులభం; మా సాంకేతిక నిపుణులు దీన్ని గుర్తించడానికి గంటల తరబడి వెచ్చించాల్సిన అవసరం లేదు. ఉత్తమ భాగం? మా ప్రొడక్షన్ లైన్ సామర్థ్యం ఇప్పుడు బాగా పెరిగింది, తక్కువ సమయానికి ధన్యవాదాలు. మేము ఖచ్చితంగా Raydafon ఉత్పత్తులను ఉపయోగిస్తూనే ఉంటాము-ఈ కప్లింగ్ అది విలువైనదని నిరూపించబడింది.
Raydafon యొక్క SWP-G సూపర్ షార్ట్ ఫ్లెక్స్ టైప్ యూనివర్సల్ జాయింట్ కప్లింగ్ ఫ్లెక్సిబుల్ టార్క్ ట్రాన్స్మిషన్ని ఉపయోగించడం ద్వారా పనిచేస్తుంది-ఇది కనెక్షన్ను విచ్ఛిన్నం చేయకుండా కొద్దిగా కదిలే షాఫ్ట్ల మధ్య వంతెనగా భావించండి. తప్పుడు అమరికలను నిర్వహించడానికి ఇది ఎలాస్టోమెరిక్ మూలకాలను (ఫ్లెక్సిబుల్, రబ్బరు-వంటి భాగాలకు ఫ్యాన్సీ) ఉపయోగిస్తుంది, అదే సమయంలో శక్తిని వృధా చేయకుండా విద్యుత్ ఒక షాఫ్ట్ నుండి మరొక షాఫ్ట్కు అందేలా చేస్తుంది. కాంపాక్ట్ హై-టార్క్ యూనివర్సల్ జాయింట్ కప్లింగ్గా, ఇది సెంట్రల్ ఫ్లెక్సిబుల్ డిస్క్ లేదా స్పైడర్ను కలిగి ఉంది, ఇది కోణీయ, అక్షసంబంధ మరియు రేడియల్ షిఫ్ట్లను నానబెట్టింది-కాబట్టి షాఫ్ట్లు సరిగ్గా వరుసలో లేనప్పటికీ, ప్రతి అంగుళం లెక్కించబడే గట్టి ప్రదేశాలలో కూడా భ్రమణం సాఫీగా ఉంటుంది.
ఇది ఎలా పనిచేస్తుందనే దాని యొక్క గుండె దాని సూపర్ షార్ట్ డిజైన్లో ఉంది. ఇది కఠినమైన, సౌకర్యవంతమైన భాగాలను మిళితం చేస్తుంది, ఇది ఆఫ్సెట్ల కోసం లోడ్లో కొద్దిగా వంగి ఉంటుంది, ఇది మీ మెషినరీని తాకకుండా ఎక్కువ ఒత్తిడిని ఉంచుతుంది. అందుకే ఇది పారిశ్రామిక యంత్రాల కోసం చాలా ఘనమైన సార్వత్రిక ఉమ్మడి కలపడం-వేగం లేదా లోడ్లు మారినప్పటికీ, ఇది ఏదైనా ఎదురుదెబ్బతో పాటు భ్రమణ శక్తిని పంపుతుంది, కాబట్టి మీ పరికరాలు స్థిరంగా ఉంటాయి.
బ్రేక్డౌన్ ఇక్కడ ఉంది: ఇన్పుట్ షాఫ్ట్ స్పిన్ అవుతుంది, ఇది ఫ్లెక్సిబుల్ ఎలిమెంట్ను కదిలిస్తుంది మరియు ఆ మూలకం తగినంతగా వంగడం ద్వారా అవుట్పుట్ షాఫ్ట్కు టార్క్ను తీసుకువెళుతుంది-కుదుపులు లేవు, ఆకస్మికంగా ఆగదు. డ్రైవ్ షాఫ్ట్లకు ఇది చాలా పెద్ద విషయం, ఇది ఆటోమోటివ్ డ్రైవ్ట్రెయిన్ల వంటి సెటప్లలో డ్రైవ్ షాఫ్ట్ల కోసం నమ్మదగిన యూనివర్సల్ జాయింట్ కప్లింగ్గా చేస్తుంది, ఇక్కడ మీకు ఖచ్చితమైన అమరిక అవసరం కానీ పని చేయడానికి ఎక్కువ స్థలం లేదు.
సముద్రపు వాతావరణంలో వంటి విషయాలు కఠినమైనవి అయినప్పుడు - అలలు పడవను ఎగరవేస్తూ ఉంటాయి - SWP-G యొక్క ఫ్లెక్స్ డిజైన్ కంపనాలు మరియు షాక్లను నానబెడతారు, ఇది ఎక్కువసేపు ఉండటానికి సహాయపడుతుంది. ఇది కఠినమైన సముద్ర సార్వత్రిక ఉమ్మడి కలపడం ఎందుకంటే ఆ సౌకర్యవంతమైన భాగాలు తుప్పును నిరోధిస్తాయి మరియు తరంగాల నుండి ముందుకు వెనుకకు కదలికను నిర్వహిస్తాయి, నీరు ఎంత అస్థిరంగా ఉన్నా ప్రొపల్షన్ను సమర్థవంతంగా ఉంచుతుంది.
మరియు గ్రీన్ ఎనర్జీ సెటప్ల కోసం? ఈ సూత్రం అక్కడ కూడా ప్రకాశిస్తుంది. ఇది పునరుత్పాదక శక్తి పరికరాల కోసం ఒక గొప్ప సార్వత్రిక జాయింట్ కప్లింగ్గా, ఎటువంటి నష్టం లేకుండా శక్తిని సమర్ధవంతంగా కదిలిస్తుంది. ఇది కాంపాక్ట్ సోలార్ ట్రాకర్లు లేదా చిన్న గాలి టర్బైన్లలో అయినా, ఇది శక్తిని వృధా చేయకుండా పనులను సజావుగా నడుపుతుంది-ప్రతి బిట్ సామర్థ్యం లెక్కించబడే స్థిరమైన సిస్టమ్లకు ఇది సరైనది.
Raydafon వద్ద, మేము SWP-Gని విశ్వసనీయంగా మరియు మీ నిర్దిష్ట అవసరాలకు సరిపోయేలా సిద్ధంగా ఉంచుతాము. మీకు సాంకేతిక వివరాలు కావాలంటే లేదా మీ సెటప్కి ఇది ఎలా సరిపోతుందో గుర్తించడంలో సహాయం కావాలంటే, మా నిపుణులు మీకు మార్గనిర్దేశం చేయడానికి ఇక్కడ ఉన్నారు-పదజాలం లేదు, కేవలం సూటిగా సమాధానాలు.
చిరునామా
Luotuo ఇండస్ట్రియల్ ఏరియా, Zhenhai జిల్లా, Ningbo సిటీ, చైనా
Tel
ఇ-మెయిల్


+86-574-87168065


Luotuo ఇండస్ట్రియల్ ఏరియా, Zhenhai జిల్లా, Ningbo సిటీ, చైనా
కాపీరైట్ © Raydafon టెక్నాలజీ గ్రూప్ కో., లిమిటెడ్ సర్వ హక్కులూ ప్రత్యేకించబడినవి.
Links | Sitemap | RSS | XML | గోప్యతా విధానం |
