QR కోడ్
మా గురించి
ఉత్పత్తులు
మమ్మల్ని సంప్రదించండి


ఫ్యాక్స్
+86-574-87168065

ఇ-మెయిల్

చిరునామా
Luotuo ఇండస్ట్రియల్ ఏరియా, Zhenhai జిల్లా, Ningbo సిటీ, చైనా
మీరు రోజంతా ద్రవాలను తరలించే పంపులు, ఖాళీలను వెంటిలేషన్ చేసే ఫ్యాన్లు లేదా నాన్స్టాప్గా పనిచేసే వస్త్ర పరికరాలు వంటి యంత్రాలతో వ్యవహరిస్తుంటే-మీకు చిన్న చిన్న అలైన్మెంట్లను నిర్వహించడానికి తగినంత అనువైన కప్లింగ్ అవసరం, అయితే టార్క్ స్థిరంగా కదలడానికి సరిపోతుంది. రేడాఫోన్ యొక్క NL టైప్ నైలాన్ గేర్ ఫ్లెక్సిబుల్ కప్లింగ్ దీని కోసం నిర్మించబడింది. ఇది 4 మిమీ వరకు అక్షసంబంధ మిస్అలైన్మెంట్ మరియు 2 డిగ్రీల కోణీయ మిస్లైన్మెంట్ను నిర్వహిస్తుంది, కాబట్టి మీ షాఫ్ట్లు సరిగ్గా వరుసలో లేనప్పటికీ, ఇది మీ గేర్ను ఎటువంటి ఇబ్బంది లేకుండా రన్ చేస్తుంది.
మేము NL1 నుండి NL10 వరకు అన్ని విధాలుగా మోడల్లను పొందాము, కాబట్టి దాదాపు ఏ లైట్ నుండి మీడియం-డ్యూటీ ఉద్యోగానికి అయినా సరిపోతుంది. టార్క్ సామర్థ్యాలు 40 N·m నుండి 3150 N·m వరకు ఉంటాయి మరియు బోర్ డయామీటర్లు 6mm నుండి 100mm వరకు ఉంటాయి-చాలా పెద్ద లేదా చాలా చిన్న పరిమాణం కోసం వేటాడాల్సిన అవసరం లేదు. ఈ నైలాన్ గేర్ ఫ్లెక్సిబుల్ కప్లింగ్ని ప్రత్యేకంగా నిలబెట్టేది దాని నిర్మాణం: స్టీల్ హబ్లతో జత చేయబడిన అధిక-బలం కలిగిన నైలాన్ స్లీవ్. ఆ కాంబో అంటే అది నిశ్శబ్దంగా నడుస్తుంది మరియు నిర్వహణ కోసం మీరు దీన్ని తాకాల్సిన అవసరం లేదు-మిమ్మల్ని వేగాన్ని తగ్గించడానికి స్థిరమైన తనిఖీలు లేదా పరిష్కారాలు లేవు. పారిశ్రామిక యంత్రాల కోసం అనువైన గేర్ కప్లింగ్ల కోసం ఇది ఒక గో-టు, మరియు మీరు ప్రత్యేకంగా పంపులతో పని చేస్తుంటే, చుట్టుపక్కల పంపుల కోసం ఇది అత్యంత విశ్వసనీయమైన నైలాన్ స్లీవ్ గేర్ కప్లింగ్లలో ఒకటి. అదనంగా, దీని కాంపాక్ట్ డిజైన్ టైట్ సెటప్లకు సరిపోతుంది మరియు ఇది -20°C మరియు +70°C మధ్య సజావుగా పని చేస్తుంది—మీ వర్క్స్పేస్ చల్లగా లేదా వెచ్చగా ఉన్నా.
Raydafon వద్ద, మేము చైనాలో ఈ కప్లింగ్లను తయారు చేస్తాము మరియు మేము ISO 9001 ప్రమాణాలకు ఖచ్చితంగా కట్టుబడి ఉంటాము-ప్రతి భాగం మన్నికగా మరియు మన్నికగా ఉందని నిర్ధారించుకోవడానికి తనిఖీ చేయబడుతుంది. నైలాన్ స్లీవ్ కేవలం బలమైనది కాదు, ఇది నాన్-కండక్టివ్ మరియు తుప్పు-నిరోధకత కూడా. ఇది తేమతో కూడిన ప్రదేశాలు లేదా రసాయనాలు ఉన్న ప్రాంతాల కోసం గేమ్-ఛేంజర్, ఇతర కప్లింగ్లు తుప్పు పట్టవచ్చు లేదా చిన్నవి కావచ్చు-ఇది ఎక్కువసేపు కొనసాగుతుంది. మరియు దాని సరళమైన నిర్మాణం అసెంబ్లింగ్ మరియు విడదీయడం ఒక బ్రీజ్గా చేస్తుంది: సంక్లిష్టమైన సాధనాలు లేవు, మీరు దానిని మార్చుకోవాల్సిన లేదా నిర్వహణ చేయవలసి వచ్చినప్పుడు త్వరగా పని చేయండి. అందుకే ఇది కస్టమ్ నైలాన్ గేర్ కప్లింగ్ల కోసం అగ్ర ఎంపిక-మీ నిర్దిష్ట సెటప్కు సరిపోయేలా మేము దీన్ని సర్దుబాటు చేయవచ్చు-మరియు ఇది వస్త్ర పరికరాల కోసం అత్యంత మన్నికైన సౌకర్యవంతమైన గేర్ కప్లింగ్లలో ఒకటి, నేత లేదా స్పిన్నింగ్ మెషీన్ల స్థిరమైన కదలికను కలిగి ఉంటుంది.
మేము అన్ని రకాల పరిమాణాలు మరియు షాఫ్ట్ కాన్ఫిగరేషన్లను అందిస్తాము, కాబట్టి మీరు మీ మెషినరీకి అనుగుణంగా ఉండే కప్లింగ్ను పొందుతారు-ఒక పరిమాణానికి సరిపోయే ఎంపిక కాదు. మరియు మేము ధరను పోటీగా ఉంచుతాము, కాబట్టి మీరు నాణ్యత కోసం అధికంగా ఖర్చు చేయవలసిన అవసరం లేదు. ప్రపంచవ్యాప్తంగా ఉన్న వ్యాపారాల కోసం, దీని అర్థం తక్కువ పనికిరాని సమయం (ఇన్స్టాల్ చేయడం మరియు నిర్వహించడం సులభం కనుక) మరియు మెరుగైన పరికరాల సామర్థ్యం-కచ్చితంగా మీరు కార్యకలాపాలను సజావుగా కొనసాగించడానికి అవసరమైనది.
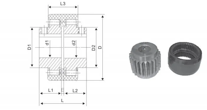
NL రకం నైలాన్ గేర్ ఫ్లెక్సిబుల్ కప్లింగ్ యొక్క కోర్ వర్కింగ్ లాజిక్ టార్క్ ట్రాన్స్మిషన్ను సాధించడానికి మెషింగ్ గేర్ దంతాలపై ఆధారపడి ఉంటుంది, అయితే లోపల ఉన్న నైలాన్ స్లీవ్, ఒక కీలకమైన సౌకర్యవంతమైన భాగం వలె, షాఫ్ట్ సిస్టమ్ మిస్లైన్మెంట్ను సమర్థవంతంగా భర్తీ చేయడమే కాకుండా షాక్లను గ్రహించడంలో కూడా ముఖ్యమైన పాత్ర పోషిస్తుంది. ఈ నిర్మాణ రూపకల్పనలో, బాహ్య దంతాలతో కూడిన రెండు హబ్లు అంతర్నిర్మిత నైలాన్ అంతర్గత గేర్ స్లీవ్ ద్వారా అనుసంధానించబడి ఉంటాయి. ఈ కలయిక యాంత్రిక వ్యవస్థలలో సమర్థవంతమైన శక్తి ప్రసారాన్ని నిర్ధారిస్తుంది కానీ ఆపరేషన్ సమయంలో ఉత్పన్నమయ్యే కంపనాలు మరియు ప్రభావాలను గణనీయంగా తగ్గిస్తుంది. ఈ డిజైన్ ప్రయోజనం NL రకం నైలాన్ గేర్ ఫ్లెక్సిబుల్ కప్లింగ్స్ యొక్క అప్లికేషన్ సందర్భాలలో ప్రత్యేకంగా స్పష్టంగా కనిపిస్తుంది, వీటిని చిన్న మరియు మధ్యస్థ-పరిమాణ పరికరాలకు అనుగుణంగా మార్చాలి.
డ్రైవింగ్ షాఫ్ట్ హబ్లలో ఒకదానికి టార్క్ను ప్రసారం చేసినప్పుడు, హబ్లోని బాహ్య దంతాలు నైలాన్ అంతర్గత గేర్ స్లీవ్ యొక్క అంతర్గత దంతాలతో ఖచ్చితంగా మెష్ అవుతాయి, ఆపై నైలాన్ అంతర్గత గేర్ స్లీవ్ నడిచే షాఫ్ట్కు కనెక్ట్ చేయబడిన ఇతర హబ్కు శక్తిని సజావుగా ప్రసారం చేస్తుంది. షాఫ్ట్ సిస్టమ్లో కోణీయ, సమాంతర లేదా అక్షసంబంధ తప్పుగా అమర్చబడిన పని పరిస్థితులలో కూడా, ఈ మెషింగ్ ట్రాన్స్మిషన్ మెకానిజం ఇప్పటికీ పరికరాల స్థిరమైన ఆపరేషన్ను నిర్ధారిస్తుంది. అందువల్ల, ఆటోమేటెడ్ ప్రొడక్షన్ లైన్ల ట్రాన్స్మిషన్ సిస్టమ్లు, పంప్ పరికరాల పవర్ కనెక్షన్ మరియు కన్వేయర్ల డ్రైవింగ్ పరికరాలు వంటి నమ్మకమైన ఫ్లెక్సిబుల్ గేర్ కప్లింగ్ సొల్యూషన్లు అవసరమయ్యే ఫీల్డ్లలో, NL రకం నైలాన్ గేర్ ఫ్లెక్సిబుల్ కప్లింగ్ ఒక ప్రాధాన్య ఉత్పత్తి.
NL రకం నైలాన్ గేర్ ఫ్లెక్సిబుల్ కప్లింగ్లో ఉపయోగించే నైలాన్ మెటీరియల్ అద్భుతమైన స్థితిస్థాపకత మరియు డంపింగ్ లక్షణాలను కలిగి ఉంది, ఇది దానికి అనుసంధానించబడిన యాంత్రిక పరికరాలను ధరించడాన్ని తగ్గించడమే కాకుండా మొత్తం ప్రసార వ్యవస్థ యొక్క సేవా జీవితాన్ని పొడిగించగలదు. ఒక ప్రొఫెషనల్ గేర్ కప్లింగ్ తయారీదారుగా, Raydafon అధునాతన పదార్థాలను ఎంచుకుంటుంది మరియు NL రకం కప్లింగ్లను ఉత్పత్తి చేసేటప్పుడు తయారీ ప్రక్రియను ఆప్టిమైజ్ చేస్తుంది, వివిధ పరిశ్రమలలో సంక్లిష్టమైన పని పరిస్థితులలో ఉత్పత్తులు అద్భుతమైన పనితీరును నిర్వహించడానికి వీలు కల్పిస్తుంది. ఉదాహరణకు, వేరియబుల్ లోడ్లతో వ్యవహరించే దృశ్యాలలో, Raydafon ద్వారా ఉత్పత్తి చేయబడిన NL రకం నైలాన్ గేర్ ఫ్లెక్సిబుల్ కప్లింగ్ షాఫ్ట్ సిస్టమ్ మిస్లైన్మెంట్ కారణంగా ప్రసార వైఫల్యాలను నివారించడానికి మరియు పరికరాల పనికిరాని సమయాన్ని తగ్గించడానికి దాని అద్భుతమైన మిస్అలైన్మెంట్ పరిహార సామర్థ్యంపై ఆధారపడుతుంది.
NL రకం నైలాన్ గేర్ ఫ్లెక్సిబుల్ కప్లింగ్ను స్థిరమైన పని సామర్థ్యాన్ని కొనసాగించడానికి, రోజువారీ నిర్వహణ చాలా అవసరం, వీటిలో గేర్ టూత్ భాగాలను సాధారణ లూబ్రికేషన్ కీలక లింక్. సహేతుకమైన సరళత గేర్ టూత్ మెషింగ్ సమయంలో ఘర్షణ నష్టాన్ని తగ్గిస్తుంది, కలపడం యొక్క ఆపరేషన్ స్థిరత్వాన్ని మరింత మెరుగుపరుస్తుంది మరియు వైఫల్యాల సంభావ్యతను తగ్గిస్తుంది. సాధారణంగా, NL రకం నైలాన్ గేర్ ఫ్లెక్సిబుల్ కప్లింగ్ యొక్క పని సూత్రం, దృఢమైన హబ్ మరియు ఫ్లెక్సిబుల్ నైలాన్ స్లీవ్ యొక్క సినర్జిస్టిక్ ప్రభావం ద్వారా ట్రాన్స్మిషన్ సిస్టమ్ యొక్క వశ్యత మరియు స్థిరత్వాన్ని పరిగణనలోకి తీసుకుంటూ బలమైన టార్క్ ట్రాన్స్మిషన్ను సాధించడం. అనుభవజ్ఞుడైన గేర్ కప్లింగ్ సరఫరాదారుగా, Raydafon ఎల్లప్పుడూ బలమైన అనుకూలత మరియు అధిక మన్నికతో NL రకం నైలాన్ గేర్ ఫ్లెక్సిబుల్ కప్లింగ్ ఉత్పత్తులను వివిధ పరిశ్రమలలో వినియోగదారులకు అందించడాన్ని నిర్ధారించడానికి ఖచ్చితమైన ప్రమాణాలలో ఉత్పత్తి ఖచ్చితత్వాన్ని మరియు విశ్వసనీయతను నియంత్రిస్తుంది.
NL టైప్ నైలాన్ గేర్ ఫ్లెక్సిబుల్ కప్లింగ్ అనేది డిమాండ్ చేసే మెకానికల్ దృశ్యాలలో అధిక-పనితీరు గల అప్లికేషన్ల కోసం ప్రత్యేకంగా రూపొందించబడింది. ఇది నైలాన్ స్లీవ్ గేర్ కప్లింగ్స్ కేటగిరీలో అత్యంత పోటీతత్వ ఎంపికగా, షాఫ్ట్ మిస్అలైన్మెంట్లను అనువైనదిగా ఉంచుతూ స్థిరమైన పవర్ ట్రాన్స్మిషన్ను నిర్ధారిస్తుంది. ఈ కప్లింగ్ యొక్క కీలకమైన డిజైన్ హైలైట్ దాని అధిక-శక్తి నైలాన్ స్లీవ్లో ఉంది, ఇది కలపడం అద్భుతమైన సాగే వైకల్య సామర్థ్యాన్ని అందించడమే కాకుండా మొత్తం నిర్మాణం యొక్క మన్నికను గణనీయంగా పెంచుతుంది. ఇది చాలా కాలం పాటు పనిచేసే పారిశ్రామిక పరికరాలలో క్లిష్టమైన సౌకర్యవంతమైన నైలాన్ స్లీవ్ గేర్ కప్లింగ్ భాగం వలె ప్రత్యేకంగా అనుకూలంగా ఉంటుంది.
టార్క్ ప్రసార సామర్థ్యం పరంగా, NL టైప్ నైలాన్ గేర్ ఫ్లెక్సిబుల్ కప్లింగ్ అత్యుత్తమ పనితీరును అందిస్తుంది, అధిక-టార్క్ లోడ్ అవసరాలను సులభంగా నిర్వహిస్తుంది. హెవీ-డ్యూటీ మెషిన్ టూల్స్, మైనింగ్ మెషినరీ లేదా పెద్ద-స్థాయి కన్వేయర్ పరికరాలు-ఇవన్నీ పవర్ ట్రాన్స్మిషన్లో అధిక విశ్వసనీయతను కోరుతాయి-ఇది స్థిరంగా పనిచేస్తుంది, అనేక అధిక-టార్క్ పని పరిస్థితుల కోసం ఇష్టపడే హై-టార్క్ నైలాన్ గేర్ కప్లింగ్ మోడల్గా స్థిరపడుతుంది. మెకానికల్ ఆపరేషన్ సమయంలో షాఫ్ట్ తప్పుగా అమర్చడం యొక్క సాధారణ సమస్యను పరిష్కరించేటప్పుడు, ఈ సౌకర్యవంతమైన నైలాన్ గేర్ కలపడం అద్భుతమైన అనుకూలతను కూడా ప్రదర్శిస్తుంది. ఇది కోణీయ మిస్లైన్మెంట్, సమాంతర మిస్లైన్మెంట్ మరియు అక్షసంబంధ మిస్లైన్మెంట్లను సమర్థవంతంగా శోషించగలదు మరియు భర్తీ చేస్తుంది, తద్వారా కనెక్ట్ చేయబడిన షాఫ్ట్లపై అదనపు ఒత్తిడిని గణనీయంగా తగ్గిస్తుంది మరియు మొత్తం ప్రసార వ్యవస్థ యొక్క సేవా జీవితాన్ని పొడిగించడంలో సహాయపడుతుంది. దీర్ఘకాలిక నిరంతర ఆపరేషన్ అవసరమయ్యే ఉత్పత్తి పరికరాలకు ఈ లక్షణం చాలా ముఖ్యమైనది.
ఇంకా, NL టైప్ నైలాన్ గేర్ ఫ్లెక్సిబుల్ కప్లింగ్ యొక్క నైలాన్ మెటీరియల్ అంతర్గతంగా అద్భుతమైన షాక్ శోషణ మరియు బఫరింగ్ లక్షణాలను కలిగి ఉంది. పరికరాల ఆపరేషన్ సమయంలో, ఇది ప్రకంపనలు మరియు షాక్ల ప్రభావాన్ని సమర్థవంతంగా తగ్గిస్తుంది, ప్రసార వ్యవస్థ యొక్క సున్నితమైన ఆపరేషన్ను నిర్ధారిస్తుంది. పర్యవసానంగా, తరచుగా ప్రకంపనలతో కూడిన డైనమిక్ పని పరిస్థితుల్లో, ఇది అనేక సంస్థలకు షాక్-శోషక నైలాన్ గేర్ కప్లింగ్ సొల్యూషన్గా మారింది. తుప్పు నిరోధకత పరంగా, నైలాన్ స్లీవ్ యొక్క అద్భుతమైన రసాయన తుప్పు నిరోధకతతో పాటు, ఈ కలపడం యొక్క లోహ భాగాలు ప్రత్యేక చికిత్సకు లోనవుతాయి, తేమ, మురికి లేదా కొద్దిగా తినివేయు వాతావరణంలో స్థిరమైన ఆపరేషన్ను ప్రారంభిస్తాయి. సాంప్రదాయ దృఢమైన కప్లింగ్లతో పోలిస్తే, ఇది కఠినమైన పని పరిస్థితులలో బలమైన అనుకూలతను ప్రదర్శిస్తుంది, మన్నికైన నైలాన్ గేర్ కప్లింగ్ల కోసం పారిశ్రామిక రంగ అవసరాలను పూర్తిగా తీరుస్తుంది.
ఆపరేషన్ మరియు నిర్వహణ దృక్కోణం నుండి, NL టైప్ నైలాన్ గేర్ ఫ్లెక్సిబుల్ కప్లింగ్ నిర్వహణ-రహిత డిజైన్ను స్వీకరించింది. ఇది తరచుగా కందెన జోడింపు లేదా సర్దుబాట్ల అవసరాన్ని తొలగిస్తుంది, ఇది రోజువారీ నిర్వహణ యొక్క పనిభారాన్ని తగ్గించడమే కాకుండా సరికాని నిర్వహణ వలన కలిగే పరికరాల వైఫల్యాల ప్రమాదాన్ని కూడా తగ్గిస్తుంది. ఇది నిర్వహణ ఖర్చులు మరియు పనికిరాని సమయాన్ని సమర్థవంతంగా నియంత్రిస్తుంది, తక్కువ నిర్వహణ అనువైన గేర్ కప్లింగ్ల కోసం సమర్థవంతమైన మరియు తక్కువ-వినియోగ ఉత్పత్తిని అనుసరించే పరిశ్రమల ఎంపిక ప్రమాణాలతో సంపూర్ణంగా సర్దుబాటు చేస్తుంది. ఇంతలో, దాని మొత్తం నిర్మాణం తేలికైనది మరియు కాంపాక్ట్, సులభమైన మరియు శీఘ్ర సంస్థాపన మరియు వేరుచేయడం సులభతరం చేస్తుంది. పరిమిత స్థలంతో పరికరాల లేఅవుట్లలో కూడా, ఈ కాంపాక్ట్ నైలాన్ గేర్ కలపడం యొక్క అసెంబ్లీని సులభంగా పూర్తి చేయవచ్చు, ఇది పరికరాల సంస్థాపన మరియు నిర్వహణ యొక్క సామర్థ్యాన్ని మరింత మెరుగుపరుస్తుంది.
సారాంశంలో, NL టైప్ నైలాన్ గేర్ ఫ్లెక్సిబుల్ కప్లింగ్ను ట్రాన్స్మిషన్ సిస్టమ్లోకి అనుసంధానించడం అనేది పరికరాలకు మరింత స్థిరమైన మరియు సమర్థవంతమైన కార్యాచరణ మద్దతును అందిస్తుంది. ప్రత్యేకించి అధిక-ఖచ్చితమైన ప్రసారం అవసరమయ్యే ఖచ్చితత్వ తయారీ రంగంలో, ఈ అధిక-పనితీరు గల నైలాన్ స్లీవ్ గేర్ కప్లింగ్-దాని ఆప్టిమైజ్ చేసిన డిజైన్తో- ట్రాన్స్మిషన్ ఖచ్చితత్వం, విశ్వసనీయత మరియు అనుకూలత కోసం బహుళ డిమాండ్లను పూర్తిగా కలుస్తుంది, ఇది పరికరాల మొత్తం పనితీరును మెరుగుపరచడంలో కీలకమైన అంశంగా పనిచేస్తుంది.
NL టైప్ నైలాన్ గేర్ ఫ్లెక్సిబుల్ కప్లింగ్ స్థిరమైన శక్తి బదిలీ అవసరమయ్యే అన్ని రకాల మెకానికల్ సెటప్ల కోసం గో-టు ట్రాన్స్మిషన్ భాగంగా పనిచేస్తుంది. నైలాన్ స్లీవ్ని ప్రత్యేకంగా నిలబెట్టేది-ఇది వైబ్రేషన్లను నానబెట్టడానికి మరియు చిన్న షాఫ్ట్ మిస్లైన్మెంట్లను సరిచేయడానికి సరిగ్గా వంగి ఉంటుంది, కాబట్టి భాగాలు చాలా వేగంగా పాడవకుండా మీకు నమ్మకమైన టార్క్ కదలిక అవసరమయ్యే ఏదైనా గేర్ కలపడం కోసం ఇది సరైనది.
ఉదాహరణకు పారిశ్రామిక యంత్రాలను తీసుకోండి. పంపులు లేదా కంప్రెసర్లకు మోటార్లను కట్టివేయడానికి ఈ కలపడం చాలా బాగుంది. ఆ యంత్రాలు రన్ అయినప్పుడు, అవి తరచుగా సిస్టమ్ ద్వారా ఆకస్మిక షాక్ లోడ్లను పంపుతాయి, అయితే NL టైప్ నైలాన్ గేర్ ఫ్లెక్సిబుల్ కప్లింగ్ ఆ ప్రభావాన్ని సులభతరం చేస్తుంది, మొత్తం సెటప్ ఎక్కువసేపు ఉండేందుకు సహాయపడుతుంది. మరియు కన్వేయర్ లైన్లలో-మీకు తెలుసా, ఫ్యాక్టరీలలో మెటీరియల్లను నాన్స్టాప్గా తరలించేవి-ఈ ఇండస్ట్రియల్ నైలాన్ స్లీవ్ గేర్ కప్లింగ్ లోడ్ మారినప్పుడు కూడా పనులు సజావుగా నడుస్తుంది. తరచుగా విచ్ఛిన్నమయ్యే పాత దృఢమైన కప్లింగ్ల మాదిరిగా కాకుండా, ఇది పనికిరాని సమయాన్ని మరియు మీరు వస్తువులను సరిచేయడానికి ఖర్చు చేసే డబ్బును తగ్గిస్తుంది.
ఆటోమోటివ్ మరియు రవాణా ప్రపంచం దీనిని ప్రత్యేకంగా డ్రైవ్ షాఫ్ట్లు మరియు స్టీరింగ్ భాగాల కోసం కూడా ఉపయోగిస్తుంది. కార్లు మరియు ట్రక్కులు కదిలేటప్పుడు చాలా మెలితిప్పిన వైబ్రేషన్లను ఎదుర్కోవలసి ఉంటుంది, అయితే ఆటోమోటివ్ డ్రైవ్ల కోసం ఈ ఫ్లెక్సిబుల్ గేర్ కప్లింగ్ వాటిని నానబెడుతుంది. ఇది వాహనాన్ని మెరుగ్గా నడపడమే కాకుండా సురక్షితంగా కూడా చేస్తుంది-స్టీరింగ్ను విసిరేయడం లేదా డ్రైవింగ్ రైలును ధరించడం వంటి విచిత్రమైన వణుకు లేదు.
CNC మెషీన్లు లేదా ఇండస్ట్రియల్ రోబోట్ల వంటి ఖచ్చితమైన గేర్ కప్లింగ్ ఉపయోగాల విషయానికి వస్తే, ఈ కప్లింగ్ నిజంగా ప్రకాశిస్తుంది. ఆ యంత్రాలు వేగంగా తిరుగుతాయి మరియు చాలా ఖచ్చితమైన కదలిక అవసరం, కానీ చిన్న షాఫ్ట్ మిస్లైన్మెంట్లు (కోణాలు లేదా సమాంతర మార్పులు వంటివి) కూడా విషయాలను గందరగోళానికి గురి చేస్తాయి. NL టైప్ నైలాన్ గేర్ ఫ్లెక్సిబుల్ కప్లింగ్ అధిక వేగాన్ని కొనసాగించేటప్పుడు ఆ సమస్యలను పరిష్కరిస్తుంది. అందుకే ఆటోమేటెడ్ అసెంబ్లీ లైన్లను నిర్మించే చాలా కంపెనీలు ఈ నైలాన్ గేర్ కప్లింగ్ కోసం కస్టమ్ సెటప్లు అవసరమైనప్పుడు ఖచ్చితమైన CNC పరికరాల కోసం చూస్తాయి.
మీరు దీన్ని HVAC సిస్టమ్లు మరియు నీటి శుద్ధి ప్లాంట్లలో కూడా కనుగొంటారు. ఆ ప్రదేశాలలో ఫ్యాన్లు మరియు బ్లోయర్లు ఎక్కువగా ఉపయోగించబడతాయి మరియు ఆ భాగాలు ఎక్కువగా కంపిస్తే, అవి బిగ్గరగా మరియు విరిగిపోతాయి. HVAC అభిమానుల కోసం ఈ వైబ్రేషన్-డంపింగ్ ఫ్లెక్సిబుల్ గేర్ కప్లింగ్ శబ్దాన్ని తగ్గిస్తుంది మరియు పరికరాలను స్థిరంగా నడుపుతుంది-తాపన/శీతలీకరణ లేదా నీటి శుద్ధి ప్రక్రియలలో ఊహించని స్టాప్లు ఉండవు.
మొత్తం మీద, NL టైప్ నైలాన్ గేర్ ఫ్లెక్సిబుల్ కప్లింగ్ దాదాపు ఏ పరిశ్రమకైనా బడ్జెట్ అనుకూలమైన ఎంపిక. ఇది కఠినమైనది, ఇన్స్టాల్ చేయడం సులభం మరియు పనిని పూర్తి చేస్తుంది. మీరు విశ్వసనీయమైన ఇండస్ట్రియల్ గేర్ కప్లింగ్ సప్లయర్ కోసం చూస్తున్నట్లయితే, Raydafon మీ ఖచ్చితమైన అవసరాలకు సరిపోయే కస్టమ్ ఆప్షన్లతో మిమ్మల్ని హుక్ అప్ చేయగలదు-కాబట్టి మీరు ఉత్తమ పనితీరును మరియు దీర్ఘకాలిక భాగాన్ని పొందుతారు.
⭐⭐⭐⭐⭐ వాంగ్ లీ, మెకానికల్ ఇంజనీర్, గ్వాంగ్జౌ మెషినరీ కో., లిమిటెడ్.
మేము కొంతకాలంగా మా అసెంబ్లీ లైన్లలో Raydafon యొక్క NL రకం నైలాన్ గేర్ ఫ్లెక్సిబుల్ కప్లింగ్ని కలిగి ఉన్నాము మరియు ఇది మేము ప్రయత్నించిన కొన్ని ఇతర కప్లింగ్ల కంటే స్థిరమైన పనితీరును కలిగి ఉంది. నైలాన్ గేర్ డిజైన్ ఇక్కడ ప్రత్యేకమైనది: ఇది టార్క్ను సజావుగా కదుపుతుంది, ఎటువంటి కుదుపుల బదిలీలు లేవు మరియు ఇది కంపనాన్ని చాలా తగ్గిస్తుంది, యంత్రాలు ఎలా నడుస్తాయి అనే తేడాను మీరు నిజంగా చెప్పగలరు.
ఇన్స్టాలేషన్ మొత్తం గాలిలో కూడా ఉంది. మా పరికరాలలో మాకు చాలా అదనపు స్థలం లేదు, కానీ ఈ కప్లింగ్ బాక్స్ వెలుపల సరిగ్గా సరిపోతుంది-ఏదీ సవరించాల్సిన అవసరం లేదు. ఇది నాన్స్టాప్గా నడుస్తోంది మరియు ధరించే సంకేతాలేవీ లేవు; మన్నిక అంటే మేము తరచుగా దాన్ని సరిచేయడానికి లేదా భర్తీ చేయడానికి ఉత్పత్తిని ఆపడం లేదు. మొత్తం మీద, ఇది ఘనమైన, ఖర్చుతో కూడుకున్న ఎంపిక, ఇది మనకు అవసరమైనది చేస్తుంది.
⭐⭐⭐⭐⭐ జాన్ స్మిత్, ప్లాంట్ మేనేజర్, చికాగో ఇండస్ట్రియల్ సొల్యూషన్స్, USA
మేము మా చికాగో సదుపాయంలో Raydafon యొక్క NL టైప్ నైలాన్ గేర్ కోసం మా పాత మెటల్ కప్లింగ్ను మార్చుకున్నాము మరియు మార్పు రాత్రి మరియు పగలు-మేము మెషీన్లను కాల్చిన రెండవ రెండవ దాన్ని మీరు అనుభవించవచ్చు. భాగాలను వదులుగా కొట్టడానికి ఉపయోగించే కంపనం? పోయింది. పాత కప్లింగ్ నుండి బిగ్గరగా హమ్? చాలా నిశ్శబ్దంగా నేల ప్రశాంతంగా అనిపిస్తుంది. మరియు విద్యుత్ బదిలీ? మేము భారీ లోడ్లను నడుపుతున్నప్పుడు కూడా సాధ్యమైనంత సున్నితంగా ఉండండి.
ఇంకా ఏమిటంటే, ఇది ఇప్పటివరకు చేసిన మెటల్ కంటే మెరుగ్గా తప్పుగా అమరికను నిర్వహిస్తుంది - విషయాలను ట్రాక్లో ఉంచడానికి ప్రతి వారం దాన్ని ట్వీక్ చేయడం లేదు. Raydafon అది కూడా మాకు వేగంగా వచ్చింది; డెలివరీ షెడ్యూల్ ప్రకారం సరిగ్గా జరిగింది మరియు నాణ్యతలో అగ్రశ్రేణి-చౌక భాగాలు లేదా నాసిరకం పని లేదు. నేను ఇప్పటికే దాని గురించి కొన్ని ఇతర ప్లాంట్ మేనేజర్లకు చెప్పాను; ఈ రకమైన ఉత్పత్తి గురించి మీరు చెప్పాలనుకుంటున్నారు.
⭐⭐⭐⭐⭐ అన్నా ముల్లర్, మెయింటెనెన్స్ సూపర్వైజర్, మ్యూనిచ్ ఇంజనీరింగ్, జర్మనీ
మేము కొన్ని నెలల క్రితం మా హై-స్పీడ్ మెషినరీలో Raydafon యొక్క NL టైప్ కప్లింగ్ను ఉంచాము మరియు ఇది మా బృందానికి గేమ్-ఛేంజర్గా మారింది. నైలాన్ గేర్ మెటీరియల్ ఒక స్మార్ట్ కాల్- ఇది మెటల్ వలె వేగంగా అరిగిపోదు, కాబట్టి మేము తరచుగా భాగాలను భర్తీ చేయడం లేదు మరియు ఇది చాలా నిశ్శబ్దంగా ఉంటుంది. అది చిన్నదిగా అనిపించవచ్చు, కానీ నిశ్శబ్ద దుకాణం అంటే బృందానికి తక్కువ అలసట మరియు మేము పరికరాలను తనిఖీ చేస్తున్నప్పుడు తక్కువ పరధ్యానం.
ఇది హై-స్పీడ్ రన్నింగ్తో వచ్చే స్వల్ప మార్పులను నిర్వహించడానికి తగినంత అనువైనది, కానీ ఒత్తిడిలో నిలబడగలిగేంత బలంగా ఉంది-వంగడం లేదా విచ్ఛిన్నం కాదు. సంస్థాపన చాలా సులభం; మా సాంకేతిక నిపుణులు దీన్ని ఒక గంటలో సెటప్ చేసారు, సంక్లిష్టమైన సూచనలు లేవు. మేము దీన్ని ఇన్స్టాల్ చేసినప్పటి నుండి మేము చాలా తక్కువ మెషిన్ స్టాపేజ్లను కలిగి ఉన్నాము మరియు ప్రతిదీ సజావుగా నడుస్తుంది. Raydafon వారు మేము విశ్వసించగల ఒక సరఫరాదారు అని నిరూపించబడింది-ఆశ్చర్యకరమైనవి లేవు, కేవలం మంచి ఉత్పత్తులు.
⭐⭐⭐⭐⭐ కార్లోస్ మార్టినెజ్, ఆపరేషన్స్ డైరెక్టర్, మాడ్రిడ్ మాన్యుఫ్యాక్చరింగ్ కార్పొరేషన్., స్పెయిన్
Raydafon యొక్క NL టైప్ నైలాన్ గేర్ ఫ్లెక్సిబుల్ కప్లింగ్ మేము వెతుకుతున్న అధిక-నాణ్యత ఉత్పత్తి. వైబ్రేషన్ను తగ్గించి, సామర్థ్యాన్ని పెంచాలని ఆశిస్తూ మేము దీన్ని మా ప్రొడక్షన్ లైన్కు జోడించాము-మరియు ఇది రెండు గణనలలో పంపిణీ చేయబడింది, ఎటువంటి ప్రశ్నలు అడగలేదు. నైలాన్ గేర్ విషయాలు సజావుగా సాగడానికి సరైన మొత్తంలో సౌలభ్యాన్ని ఇస్తుంది, కానీ అది బలాన్ని త్యాగం చేయదు-మనం కఠినమైన గడువులను చేరుకోవడానికి లైన్ను నెట్టివేసినప్పటికీ.
ఇది కాంపాక్ట్ కూడా, ఇది మా సెటప్కు పెద్ద ప్లస్; మాకు చాలా అదనపు స్థలం లేదు మరియు ఇతర భాగాలను రద్దీ లేకుండా ఈ కలపడం సరిగ్గా సరిపోతుంది. మేము దీన్ని ఇప్పుడు నెలల తరబడి ఉపయోగిస్తున్నాము మరియు ఎటువంటి సమస్యలు లేవు-విచ్ఛిన్నాలు లేవు, విచిత్రమైన శబ్దాలు లేవు, స్థిరమైన పనితీరు మాత్రమే. ఉత్పత్తి మరియు మేము Raydafon నుండి పొందిన గొప్ప సేవ మధ్య, మేము మరింత సంతృప్తి చెందాము. ఇది ఒక కీపర్.
చిరునామా
Luotuo ఇండస్ట్రియల్ ఏరియా, Zhenhai జిల్లా, Ningbo సిటీ, చైనా
Tel
ఇ-మెయిల్


+86-574-87168065


Luotuo ఇండస్ట్రియల్ ఏరియా, Zhenhai జిల్లా, Ningbo సిటీ, చైనా
కాపీరైట్ © Raydafon టెక్నాలజీ గ్రూప్ కో., లిమిటెడ్ సర్వ హక్కులూ ప్రత్యేకించబడినవి.
Links | Sitemap | RSS | XML | గోప్యతా విధానం |
