QR కోడ్
మా గురించి
ఉత్పత్తులు
మమ్మల్ని సంప్రదించండి


ఫ్యాక్స్
+86-574-87168065

ఇ-మెయిల్

చిరునామా
Luotuo ఇండస్ట్రియల్ ఏరియా, Zhenhai జిల్లా, Ningbo సిటీ, చైనా
పవర్ "రిలే రేస్": ఫీడ్ మిక్సర్ గేర్బాక్స్ పవర్ ట్రాన్స్మిషన్ కోసం "రిలే కెప్టెన్" లాంటిది. మోటారు ప్రారంభించిన తర్వాత, శక్తి మొదట గేర్బాక్స్ యొక్క ఇన్పుట్ షాఫ్ట్కు ప్రసారం చేయబడుతుంది, ఆపై బాక్స్లోని వివిధ పరిమాణాల గేర్ల సమూహం యొక్క మెషింగ్ ద్వారా "స్పీడ్ మార్పు" సాధించబడుతుంది. ఉదాహరణకు, ఇన్పుట్ షాఫ్ట్ నిమిషానికి 1000 సార్లు తిరుగుతుంటే, గేర్ గ్రూప్ ట్రాన్స్మిషన్ తర్వాత అవుట్పుట్ షాఫ్ట్ 100 సార్లు మాత్రమే తిరుగుతుంది, అయితే టార్క్ బాగా పెరుగుతుంది. ఈ బలమైన శక్తి అప్పుడు మిక్సింగ్ షాఫ్ట్కు ప్రసారం చేయబడుతుంది, మిక్సింగ్ బ్లేడ్లు ఫీడ్ను త్వరగా కదిలించడానికి అనుమతిస్తుంది, అధిక ఫైబర్ మేత వంటి "హార్డ్ గూడ్స్"తో సులభంగా వ్యవహరిస్తుంది.
ఖచ్చితమైన మెషింగ్, తగ్గిన నష్టం: గేర్బాక్స్లోని గేర్లు యాదృచ్ఛికంగా సరిపోలడం లేదు. Raydafon ద్వారా ఉత్పత్తి చేయబడిన గేర్లు దంతాల ఆకారాన్ని కలిగి ఉంటాయి, అవి ఖచ్చితంగా లెక్కించబడతాయి మరియు ప్రాసెస్ చేయబడతాయి మరియు పజిల్ యొక్క రెండు ముక్కల వలె సరిగ్గా సరిపోతాయి. ఈ విధంగా, పవర్ ట్రాన్స్మిషన్ సమయంలో చాలా తక్కువ ఘర్షణ ఉంటుంది, తక్కువ శక్తి నష్టం, మరియు ఎక్కువ శక్తిని మిక్సింగ్ కోసం ఉపయోగించవచ్చు. ఇది ఫీడ్ మిక్సర్పై "శక్తి-పొదుపు కోర్"ని ఇన్స్టాల్ చేయడం లాంటిది, ఇది శక్తిని వృధా చేయకుండా పనిని మరింత శక్తివంతం చేస్తుంది.
అవసరాలను తీర్చడానికి అనువైన సర్దుబాటు: విభిన్న ఫీడ్లు మరియు విభిన్న మిక్సింగ్ మొత్తాలకు వేర్వేరు వేగం అవసరం. ఫీడ్ మిక్సర్ గేర్బాక్స్ యొక్క అందం ఏమిటంటే దీనిని ఫ్లెక్సిబుల్గా సర్దుబాటు చేయవచ్చు. గేర్ సెట్ల కలయికను మార్చడం ద్వారా, విభిన్న అవసరాలను తీర్చడానికి వివిధ వేగ నిష్పత్తులను సాధించవచ్చు. మీరు సైలేజ్ కలపాలి మరియు త్వరగా ఏకాగ్రత చేయాలనుకుంటే, వేగాన్ని పెంచండి; మీరు పెళుసుగా ఉండే ముడి పదార్థాలను నిర్వహించాలనుకుంటే, వేగాన్ని తగ్గించి, నెమ్మదిగా కలపండి మరియు గేర్బాక్స్ అన్నింటినీ చేయగలదు.
స్థిరమైన మద్దతు మరియు మన్నిక: గేర్బాక్స్ బాడీ మొత్తం ట్రాన్స్మిషన్ సిస్టమ్ యొక్క "గార్డియన్"కి సమానం. అధిక-బలం కలిగిన కాస్ట్ ఇనుప పదార్థం, బలమైన మరియు షాక్-నిరోధకత, అంతర్గత గేర్లు మరియు బేరింగ్లకు స్థిరంగా మద్దతు ఇస్తుంది. అంతర్గత బేరింగ్లు మృదువైన భ్రమణ మరియు తగ్గిన దుస్తులు కోసం ప్రత్యేకంగా సరళతతో ఉంటాయి. ఫీడ్ మిక్సింగ్ సమయంలో వైబ్రేషన్లు ఉత్పన్నమైనప్పటికీ, గేర్బాక్స్ గేర్ల స్థిరమైన నిశ్చితార్థాన్ని నిర్ధారిస్తుంది, నిరంతరం స్థిరమైన శక్తిని ఉత్పత్తి చేస్తుంది మరియు మొత్తం సేవా జీవితాన్ని పొడిగిస్తుంది.
Raydafon యొక్క ఉత్పత్తి ఉత్పత్తి ప్రక్రియ ఖచ్చితంగా పరీక్షించబడింది మరియు అసలు ఇన్స్టాలేషన్ తర్వాత పూర్తిగా పని చేస్తుంది. మా ఉత్పత్తులను ఎంచుకోవడం అంటే మీరు మనశ్శాంతిని ఎంచుకున్నారని అర్థం.
| నిష్పత్తి | ఇన్పుట్ ఆర్.పి.ఎమ్ |
ఇన్పుట్ పవర్ | అవుట్పుట్ | మోడల్ | వ్యాఖ్యలు | |
| Kw | HP | Nm | ||||
| 16.1:1 | 540 | 44.7 | 60 | 11600 | G1-0314 |
|
| 19.4:1 | 540 | 26.1 | 35 | 8600 | G1-0514 |
|
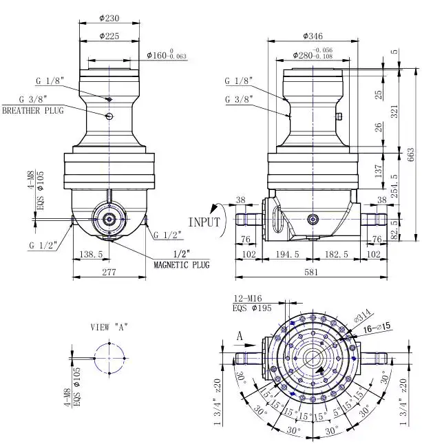
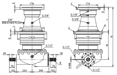
| సంఖ్య | A | B | C | D | E | F | G | H | 1 | J | K | L | M | N | ||||||||||||||||||
| 1 | ⌀200 h7 | ⌀278 | 12-M16 EQS⌀245 | 15 | 25 | ⌀280 f7 | ⌀380 | 12-M16 |
|
26 | 30 | 353 | 300 | 785 | ||||||||||||||||||
| 2 | ⌀200 h7 | ⌀278 | 12-M16 EQS⌀245 | 15 | 25 | ⌀280 f7 | ⌀380 | 12-M16 |
|
26 | 30 | 353 | 402.5 | 857.5 | ||||||||||||||||||
| 3 | ⌀278 h8 | ⌀345 | 15-M16 EQS⌀314 | 8 | 25 | ⌀348 h8 | ⌀385 | 12-⌀17 | 2-M18 | 10.5 | 29 | 351 | 321.5 | 774.5 | ||||||||||||||||||
| 4 | ⌀278 h8 | ⌀345 | 15-M16 EQS⌀314 | 8 | 25 | ⌀348 h8 | ⌀385 | 12-⌀17 | 2-M18 | 10.5 | 29 | 351 | 394 | 847 | ||||||||||||||||||
| 5 | ⌀154.8 h8 | ⌀250 | 12-M20*1.5 EQS⌀205 | 12 | 39 | ⌀348 h8 | ⌀385 | 12-⌀17 | 2-M18 | 10.5 | 29 | 354.5 | 321.5 | 778 | ||||||||||||||||||
| నిష్పత్తి | ఇన్పుట్ ఆర్.పి.ఎమ్ |
ఇన్పుట్ పవర్ | అవుట్పుట్ Nm |
ఇన్పుట్ షాఫ్ట్ | వ్యాఖ్యలు | |||||||||||||||||||||||||||
| kW | HP | |||||||||||||||||||||||||||||||
| 13.4:1 | 540 | 85.8 | 115 | 17984 | X |
|
||||||||||||||||||||||||||
| 14.6:1 | 540 | 70.8 | 95 | 16187 | X |
|
||||||||||||||||||||||||||
| 16.1:1 | 540 | 63.4 | 85 | 15971 | X |
|
||||||||||||||||||||||||||
| 18.2:1 | 540 | 44.7 | 60 | 12744 | X |
|
||||||||||||||||||||||||||
| 21.1:1 | 540 | 37.3 | 50 | 12312 | X |
|
||||||||||||||||||||||||||
| 25.9:1 | 1000 | 82 | 110 | 17954 | X |
|
||||||||||||||||||||||||||
| 28.3:1 | 1000 | 67.1 | 90 | 16051 | X |
|
||||||||||||||||||||||||||
స్టీల్ "బాడీ" చాలా మన్నికైనది: ఈ గేర్బాక్స్ చిక్కగా ఉండే అధిక-బలం గల కాస్ట్ ఐరన్తో తయారు చేయబడింది మరియు మొత్తం పెట్టె ట్యాంక్ షెల్ వలె బలంగా ఉంటుంది. సైలేజ్ని కలిపినప్పుడు తేమతో కూడిన వాతావరణం లేదా గుళికల ఫీడ్ను నిర్వహించడం వల్ల కలిగే హింసాత్మక కంపనం అయినా, అది స్థిరంగా తట్టుకోగలదు. అంతర్గత గేర్లు కార్బరైజ్ చేయబడతాయి మరియు చల్లార్చబడతాయి మరియు దంతాల ఉపరితల కాఠిన్యం HRC58 కంటే ఎక్కువగా ఉంటుంది. సాధారణ గేర్ల కంటే దుస్తులు నిరోధకత 3 రెట్లు బలంగా ఉంటుంది. ఇది మురికి మరియు భారీ-లోడ్ పొలాలలో ఐదు లేదా ఆరు సంవత్సరాలు నిరంతరంగా ఉపయోగించబడింది మరియు పనితీరు ఇప్పటికీ "ఆన్లైన్"లో ఉంది మరియు మరమ్మతుల సంఖ్య చాలా తక్కువగా ఉంది.
పవర్ ట్రాన్స్మిషన్ "జీరో వేస్ట్": డిజైన్ చాతుర్యంతో నిండి ఉంది! గేర్ మెషింగ్ ఖచ్చితత్వం జుట్టు స్థాయికి చేరుకుంటుంది మరియు పవర్ ట్రాన్స్మిషన్ సామర్థ్యం 95% మించిపోయింది. ఇతర గేర్బాక్స్లు మిక్సింగ్ సమయంలో చాలా పవర్ "జారడం" కలిగి ఉండవచ్చు, కానీ TMR మిక్సర్ EP RMG కోసం మా ఫీడ్ మిక్సర్ గేర్బాక్స్ బ్లేడ్పై మోటారు యొక్క మొత్తం శక్తిని ఉపయోగించగలదు. అదే 5 టన్నుల ఫీడ్ని కలపడం కోసం, మా గేర్బాక్స్ని ఉపయోగించడం 15 నిమిషాల వేగంగా ఉంటుంది మరియు 20% విద్యుత్ బిల్లులను ఆదా చేస్తుంది, రైతులకు నిజమైన డబ్బు ఆదా అవుతుంది.
"యూనివర్సల్ అడాప్టబిలిటీ" చాలా ఆందోళన-రహితంగా ఉంటుంది: ఇది చిన్న పొలంలో సాధారణ మిక్సర్ అయినా లేదా పెద్ద ఫీడ్ ఫ్యాక్టరీలో ఒక పెద్ద సామగ్రి అయినా, ఈ గేర్బాక్స్ సజావుగా కనెక్ట్ చేయబడుతుంది. స్పీడ్ రేషియో 2:1 నుండి 15:1 వరకు ఉచితంగా సర్దుబాటు చేయబడుతుంది మరియు రఫ్గేజ్, కాన్సెంట్రేట్ ఫీడ్ మరియు మిక్స్డ్ ఫీడ్ని మీకు కావలసిన విధంగా కలపవచ్చు. సంస్థాపన కూడా సులభం, మరియు పరికరాలకు పెద్ద మార్పులు చేయవలసిన అవసరం లేదు. సాధారణ కార్మికులు సూచనల ప్రకారం అరగంటలో పూర్తి చేయవచ్చు, ఇది హడావిడిగా ఉన్న రైతులకు ప్రత్యేకంగా సరిపోతుంది. "ఇంటెలిజెంట్ ప్రొటెక్షన్" చాలా ఆలోచించదగినది: గేర్బాక్స్ అంతర్నిర్మిత ఓవర్లోడ్ రక్షణ పరికరాన్ని కలిగి ఉంది. మిక్సింగ్ లోడ్ చాలా పెద్దది అయిన తర్వాత, గేర్లకు నష్టం జరగకుండా ఆటోమేటిక్గా "ఆగిపోతుంది", ఇది యంత్రాన్ని రక్షించడమే కాకుండా భద్రతా ప్రమాదాలను కూడా నివారిస్తుంది. అంతేకాకుండా, నిర్మాణ రూపకల్పన సహేతుకమైనది. మీరు పెట్టెను తెరవడం ద్వారా బేరింగ్ను మార్చవచ్చు లేదా గేర్ను రిపేర్ చేయవచ్చు. ఇది "రష్యన్ బొమ్మ"ని కూల్చివేయడం వంటి సమస్య కాదు. పనికిరాని సమయం మరియు నిర్వహణ సమయం బాగా తగ్గిపోతుంది, వ్యవసాయ ఉత్పత్తి ఆగిపోకుండా చూసుకుంటుంది.
విదేశీ కస్టమర్గా, నేను నిజంగా Raydafonకి ధన్యవాదాలు చెప్పాలనుకుంటున్నాను! మీ ఫీడ్ మిక్సర్ గేర్బాక్స్ ఉపయోగించడానికి చాలా సులభం. ఇది వ్యవస్థాపించబడినప్పటి నుండి, పరికరాలు చాలా సజావుగా నడుస్తాయి మరియు పని సామర్థ్యం మునుపటి కంటే చాలా ఎక్కువ. గేర్బాక్స్ ఘన మరియు మన్నికైన పదార్థాలతో తయారు చేయబడింది మరియు ఇది ఇన్స్టాల్ చేయడం మరియు నిర్వహించడం సులభం. ఇది మా మునుపటి పరికరాల్లో ఉన్న పాత సమస్యలను పరిష్కరించింది. నేను ముఖ్యంగా అమ్మకాల తర్వాత సేవను ప్రశంసించాలి. దీన్ని ఉపయోగిస్తున్నప్పుడు మేము కొన్ని చిన్న ప్రశ్నలను ఎదుర్కొన్నాము మరియు మీరు దానిని త్వరగా కనుగొన్నారు. ఇది చాలా నమ్మదగినది. ఈ సహకార అనుభవం నిజంగా బాగుంది. నేను మీ ఉత్పత్తులను నా సహచరులకు సిఫార్సు చేసాను మరియు భవిష్యత్తులో సహకారాన్ని కొనసాగించాలని నేను ఎదురుచూస్తున్నాను! -----జేమ్స్ కార్టర్
హే, నేను డేవిడ్ జాన్సన్, రేడాఫోన్ కస్టమర్. నేను ఇంతకు ముందు మీ ఫీడ్ మిక్సర్ గేర్బాక్స్లను కొనుగోలు చేసాను మరియు దానిని ఉపయోగించడం చాలా బాగుంది! ఈ గేర్బాక్స్ని ఇన్స్టాల్ చేసిన తర్వాత, మా ఫీడ్ మిక్సర్ మునుపటి కంటే చాలా సున్నితంగా నడుస్తుంది మరియు సామర్థ్యం మెరుగుపరచబడింది. నేను పరికరాలు జామింగ్ గురించి ఆందోళన చెందాను, కానీ ఇప్పుడు నేను దాని గురించి అస్సలు చింతించాల్సిన అవసరం లేదు. నాకు చాలా విలువైనదిగా అనిపించేది ఏమిటంటే, ఇది చాలా మన్నికైనది, పదార్థం దృఢమైనదిగా అనిపిస్తుంది మరియు ప్రతిరోజూ దానిని నిర్వహించడానికి ఇబ్బంది లేదు. కేవలం కొన్ని స్క్రూలను బిగించి, చమురు స్థాయిని తనిఖీ చేయండి, ప్రతి కొన్ని రోజులకు విసిరివేయవలసిన మునుపటి పరికరాల వలె కాకుండా. చివరిసారి ఇక్కడ ఆపరేట్ చేస్తున్నప్పుడు నాకు కొన్ని చిన్న ప్రశ్నలు ఎదురయ్యాయి, నేను మీ అమ్మకాల తర్వాత సేవకు ఒక ఇమెయిల్ పంపాను మరియు అదే రోజున ప్రత్యుత్తరాన్ని అందుకున్నాను. ఇంజనీర్ దానిని ఎలా సర్దుబాటు చేయాలో నేర్పడానికి ఒక స్కీమాటిక్ రేఖాచిత్రాన్ని కూడా గీసాడు. ఈ సేవ గొప్పది! నిజం చెప్పాలంటే, నేను కలిసి డిన్నర్ చేసినప్పుడు నా సహోద్యోగులతో మీ ఉత్పత్తుల గురించి తరచుగా మాట్లాడుతాను. మంచి విషయాలు ఎక్కువ మందికి తెలియాలి. భవిష్యత్తులో మీతో సహకరించడం కొనసాగించాలని నేను ఆశిస్తున్నాను మరియు మీ వ్యాపారం మరింత ప్రజాదరణ పొందాలని కోరుకుంటున్నాను!
నా పేరు మైఖేల్ బ్రౌన్. నేను మొదట మీ ఫీడ్ మిక్సర్ గేర్బాక్స్లను కొనుగోలు చేసినప్పుడు నేను కొంచెం సంకోచించాను, అన్నింటికంటే, నేను ఇంతకు ముందు ఇతర ఉత్పత్తుల ద్వారా మోసపోయాను, కానీ దాదాపు అర్ధ సంవత్సరం పాటు దాన్ని ఉపయోగించిన తర్వాత, నేను నిజంగా దానికి థంబ్స్ అప్ ఇస్తున్నాను! ఈ గేర్బాక్స్ యొక్క శబ్దం మునుపటి కంటే చాలా తక్కువగా ఉంటుంది. ఇంతకు ముందు ఆన్ చేస్తే పిడుగులా ఉండేది, కానీ ఇప్పుడు వర్క్షాప్లో మాట్లాడేటప్పుడు అరవాల్సిన అవసరం లేదు. అత్యంత ఆశ్చర్యకరమైన విషయం ఏమిటంటే సమర్థత. ఒక బ్యాచ్ ఫీడ్ కలపడానికి ఇది 40 నిమిషాలు పట్టేది, కానీ ఇప్పుడు అది 25 నిమిషాల్లో చేయబడుతుంది మరియు కన్వేయర్ బెల్ట్ కూడా దాని వేగాన్ని పెంచింది. గత వారం, గేర్బాక్స్ యొక్క సూచిక లైట్ రెండుసార్లు ఫ్లాష్ అయ్యింది. ఏదైనా సమస్య ఉందా అని నేను ఆశ్చర్యపోయాను, కాబట్టి నేను మీ అమ్మకాల తర్వాత సేవకు కాల్ చేసాను. ఫోన్ ఆన్సర్ చేసిన అమ్మాయి చాలా ఓపికగా ఉంది. ఆమె నన్ను కొన్ని ఫోటోలు తీయడానికి అనుమతించింది మరియు అక్కడికక్కడే సెన్సార్ నుండి దుమ్మును శుభ్రం చేయడానికి నాకు మార్గనిర్దేశం చేసింది. దీనికి 10 నిమిషాల కంటే ఎక్కువ సమయం పట్టలేదు. గేర్బాక్స్ ఘన పదార్థాలతో తయారు చేయబడింది. బయటి కవచం భారంగా అనిపిస్తుంది. చివరిసారి, ఒక ఫోర్క్లిఫ్ట్ పొరపాటున దానిని రుద్దడంతో, కొద్దిగా గుర్తు వదిలి, కానీ లోపల భాగాలు ప్రభావితం కాలేదు. నేను పక్కింటి రైతుతో మద్యం సేవిస్తున్నప్పుడు మీ ఉత్పత్తుల గురించి మాట్లాడుతూనే ఉన్నాను. అతను కూడా వచ్చే నెలలో ఒకటి ఆర్డర్ చేయాలని ప్లాన్ చేస్తున్నాడు! భవిష్యత్తులో మీ కొత్త ఉపకరణాలను ప్రయత్నించాలని నేను ఎదురుచూస్తున్నాను మరియు మీరు మరింత దృఢంగా మరియు బలంగా ఉండాలని కోరుకుంటున్నాను!
చిరునామా
Luotuo ఇండస్ట్రియల్ ఏరియా, Zhenhai జిల్లా, Ningbo సిటీ, చైనా
Tel
ఇ-మెయిల్


+86-574-87168065


Luotuo ఇండస్ట్రియల్ ఏరియా, Zhenhai జిల్లా, Ningbo సిటీ, చైనా
కాపీరైట్ © Raydafon టెక్నాలజీ గ్రూప్ కో., లిమిటెడ్ సర్వ హక్కులూ ప్రత్యేకించబడినవి.
Links | Sitemap | RSS | XML | గోప్యతా విధానం |
